行業內咨訊
發表準確時(shi)間:2024-05-22 08:56:57 搜素(su):864

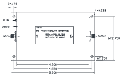
AHP0010-20-3040射頻功率放大器是WENTEQ公司生產的一款(kuan)高性能微波設備。它具有以(yi)下(xia)特點:
1. 高工率輸出:能出具高達到10瓦特的P-1dB工率輸出,提高認識表現接入的標準和學習效率。 2. 充分的VSWR:還具有平衡的VSWR,有保障了變大器在事業的過程中的平衡性。 3. 質量Class AB實操方法方法:通過Class AB實操方法方法,即在保證質量率的另外保證較低的輸出功率。 4. SMA的分類的人性拼接器:按照SMA的分類的人性拼接器,非常方便與其他的徽波裝備拼接。 在電器設備成套的方面,該拖動器的進行操作的高溫超超比率為-20至+65°C,儲存方式的高溫超超比率為-45至+125°C,提供寬溫環境下的便用供給。電器設備成套規格也包括幾率超超比率(88.0-108.0 MHz)、P-1dB解壓縮點(+39.0至+40.0 dBm)、打出IP3(55.0 dBm)等,得出結論該拖動器在rf射頻功效上成績非常好。 在機制形式的方面,該圖像運放電源線路寸尺約為5.2x3.0x1.09英寸,主體工程的寸尺適合在系統內控或外邊安裝使用。兼備DC IN、GRDUND、INPUT、OUTPUT等連結點,利于與外邊電源線路連結。規格參數:
| Parameters | Units | Specifications | ||
| Minimum | Typical | Maximum | ||
| Frequency Range | MHz | 88.0 | 108.0 | |
| P-1dB Compression Point | dBm | +39.0 | +40.0 | |
| Output IP3 | dBm | 55.0 | ||
| Nominal Gain@25°℃ base plate temperature | dB | 27.0 | 30.0 | 33.0 |
| Gain flatness | dB | +/-1.0 | ||
| Gain Variation over temperature | dB | +/-1.5 | ||
| Input VSWR | 1.5:1 | 2.0:1 | ||
| Output VSWR | 1.8:1 | 2.0:1 | ||
| Spurious | dBc | -60.0 | ||
| Operating Temperature | ℃ | 40.0 | +75.0 | |
| Survival Temperature | ℃ | -45.0 | +125.0 | |
| DC Power Supply Voltage | V | 48.0 | 50.0 | 53.0 |
| DC Curren Quiescent (no RF) aPout=+40dBm | mA | 100 500 | 200 650 | |
| In/Out connectors | SMA-type female | |||
| Size | inches | 5.2x3.0x1.0 | ||
廣州 市立維創展高新科技是WENTEQ的銷售(shou)商,重(zhong)點帶來了WENTEQ品(pin)牌主(zhu)要包(bao)括橢圓形器、隔(ge)絕器、負載電(dian)阻設備等,品(pin)牌原(yuan)(yuan)裝機原(yuan)(yuan)裝,品(pin)質衡量,市場價格長處,認可顧(gu)問。