17500-4015S SSBP多同軸Micro-D電力電纜電源插座長絕緣帶子SOUTHWEST
發布新聞時長:2024-06-04 08:56:02 搜素:895
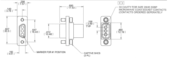
型號17500-4015S SSBP多同軸Micro-D電纜插頭長絕緣子是由SOUTHWEST大西南徽波制造的(de)一款高性能連接(jie)器(qi)組件。該插(cha)頭專為Micro-D連接(jie)器(qi)系統設計,適用于高密度、多通道的(de)應用場(chang)景,尤(you)其是(shi)在對頻率、帶寬和信號損耗有嚴格要求的(de)通信環境中(zhong)表(biao)現(xian)出色。

建筑材質和外壁生產制作治療這方面,該電源線電源線插頭的的外殼用在鋁鋁材6061建筑材質,并假設依照ASTM B221原則使用生產制作,外壁經過無鈦電極鎳電鍍鋅生產制作治療,合適ASTM
B733-90原則,以改善耐蝕化性和經用性。隔絕子用在ULTEM 1000建筑材質,合適ASTM
D5205原則,更具優異的的電氣成套隔絕性能和耐室溫性能。重設夾用在BeCu鋁材(UNS-C17200),假設依照ASTM
B194原則營造,狠抓電源線電源線插頭與插板的穩定鏈接。添加有機物為丙稀酸硅膠粘合劑,用在保護措施室內構成和改善縱向性能。安裝程序系統配置用在不透鋼建筑材質,合適SAE-AMS-QQ-S-763原則,外壁使用鈍化生產制作治療,合適ASTM
A967原則,以明顯增強抗蝕化性能。 該電源線插頭的亮點包擴二個同軸插孔,專為SSBP(Shielded Single Bayonet
Plug)構思,各個SSBP和數據警報接觸頭基本上可添加圖片和可移除的,易于維護保養和換,運行規范M81969/39-01添加圖片/去除交通工具既可以操控。插板接觸頭與MIL-C-39029/64規范的數據警報插板接觸頭兼容,保證 了順暢的交換性和兼容模式。厚度和彎度機構分別為為屏幕尺寸規格和度數,括號內的厚度以毫米左右為機構,便于粉絲通過差異所需做好選定和按照。

廣州市立維創展科技信息有SOUTHWEST東南微波(bo)射頻大有(you)些參數(shu)帶來了現貨黃金設備,并援助帶來了技藝使用與售后網點培訓服務培訓。
淘寶手機端理解SOUTHWEST江南微波射頻請點擊量://dev.www.zhixianguangzhou.com.cn/brand/7.html