企業房產資訊
上傳(chuan)時段(duan):2024-06-12 09:07:03 訪問 :837
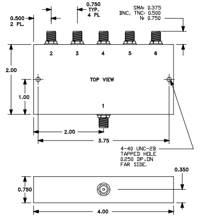
Synergy的DEK-701S是一款高性能的5路功率分配器,專為需要精確功率分配的應用而設計。該設備的關鍵特性包括寬頻帶、低損耗以及緊密控制的相位/幅度不平衡。其頻率范圍覆蓋了從0.05至30MHz,能(neng)夠滿(man)足多種頻段的(de)需求(qiu)。

在插入損耗方面,DEK-701S在不同頻段下的表現有所不同,從0.05至0.5MHz的頻段內,插入損耗的典型值為0.3dB,而在15至30MHz的頻段內,這一數值上升至0.6dB。隔離(li)(li)度方面,設(she)備(bei)在不同頻段(duan)下(xia)也提供了具體的(de)典型值和(he)最(zui)小值,確(que)保了信(xin)號的(de)清晰分離(li)(li)。

相位不平衡量最大為4度,幅度不平衡量最大為0.3dB,這些(xie)參數保(bao)證了(le)功率(lv)分配的穩(wen)定性(xing)和(he)精確度(du)。輸出阻(zu)抗(kang)為50Ohms,最大輸入(ru)功率(lv)為1瓦特,這些(xie)規格使(shi)得DEK-701S能夠適(shi)應多種功率(lv)需求。操作溫度(du)范(fan)圍(wei)從(cong)-40至+85°C,這意味著DEK-701S能夠在(zai)(zai)極端(duan)的溫度(du)條件下穩(wen)定工作,適(shi)合在(zai)(zai)各種環境(jing)中(zhong)(zhong)的應用(yong)。連接(jie)器類型為SMA母頭,其(qi)中(zhong)(zhong)一個是(shi)輸入(ru)端(duan)口(kou),其(qi)余四個為輸出端(duan)口(kou),方便與各種設備連接(jie)。
規格參數:
| SPECIFICATIONS (Rev.B 08/30/06) | |||
| Frequency | 0.05-30 MHz | ||
| Insertion Loss (dB)* | Freq (MHz) | Typ. | Max |
| 0.05-0.5 | 0.5 | 0.9 | |
| 0.5-15 | 0.3 | 0.7 | |
| 15-30 | 0.6 | 1 | |
| lsolation (dB) | |||
| Freq (MHz) | Typ. | Min | |
| 0.05-0.5 | 25 | 20 | |
| 0.5-15 | 30 | 25 | |
| 15-30 | 25 | 20 | |
| Phase Unbalance(Deg.) | 4°(Max.) | ||
| Amplitude Unbalance (dB) | 0.3 (Max.) | ||
| Output Impedance | 50 Ohms (Nom.) | ||
| Input Power | 1 Watt (Max.) | ||
| Operating Temperature Range | 40 to +85°C | ||
| *In excess of the 7 dB theoretical split loss | |||
東莞市市立維創展科技公司是Synergy的(de)(de)生產商商,常見具(ju)備Synergy徽波壓控振動器(qi)器(qi)、結晶振動器(qi)器(qi)、鎖相(xiang)振動器(qi)器(qi)、鎖相(xiang)環速率分解器(qi)、混頻器(qi)等品牌(pai),品牌(pai)處于芬蘭(lan)北邊的(de)(de)單獨入口通道(dao),快崩(beng)潰中國有客服的(de)(de)各種需求。熱情接待(dai)顧問(wen)。