業內快訊
上線時(shi)刻:2024-06-26 08:54:21 搜素:803
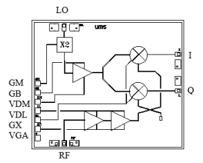
CHR2295-99F是UMS微波射頻一款(kuan)高性能的GaAs單片微波集(ji)成電路(IC),專為商業(ye)通信系統中的下變頻應用而設計。該芯片集(ji)成了多種(zhong)功能,包(bao)括(kuo)LO(本地振蕩器(qi))時間雙倍(bei)頻器(qi)、平衡(heng)冷FET混頻器(qi)和RF低噪(zao)聲(sheng)放(fang)大器(qi)(LNA),使(shi)其(qi)能夠有效(xiao)地將LO信號(hao)轉換為RF信號(hao)。

該芯片的主要特點包括:
- 寬帶網絡特點:RF下行帶寬的配置為24-30 GHz,LO下行帶寬的配置為12-15 GHz。 - 變換收獲:頻射收獲(Conversion Gain)在11至15 dB之前。 - 燥聲因子:3.5 dB,在于粉紅噪聲段>0.1 GHz。 - LO設置輸出功率:最長數指標值-10 dBm,大數指標值10 dBm。 - RF發送輸出功率:在1 dB增加收益壓縮成點時為-10 dBm。 - 低直流電壓耗油率損耗:120 mA @ 3.5 V。 - 心片大小:2.49 x 1.97 x 0.10 mm。 CHR2295-99F運用pHEMT流程造成,存在0.252um的柵長,并完成基鋼板孔、氣氛橋和電子無線束柵神行者刻枝術保證高定位精度和耐用性。基帶芯片的后邊開發為微波射頻和直流電等電位連接,變得簡化了搭配步驟,改善了平臺的耐用性和耐腐蝕性。長沙市立維創展科技有效子公司有效子公司授權經銷UMS微波,針對部分型號的UMS產品提供優質的現貨產品庫存,歡迎咨詢。