行業領域手游資訊
發(fa)布的時間:2024-06-28 08:59:54 瀏(liu)覽(lan)器:6082

PULSAR倍頻器FX-04-410是一款(kuan)高性能的(de)電(dian)子設備,專為需要精確頻率轉換(huan)的(de)應用而(er)設計(ji)。以(yi)下是該產品的(de)詳細介(jie)紹(shao):
物產品標題: Pulsar倍頻器FX-04-410頻率范圍:
進入次數: 75-1500 MHz 轉換次數: 150-3000 MHz 填寫瓦數標稱值: +10.0 dBm轉換損耗:
在F2規律下: 12.0 dB大 在F4規律下: 20.0 dB主要表現雜散信號抑制:
F1: 20 dBc F3: 20 dBc 封裝形式性質: SMA連接器類型:
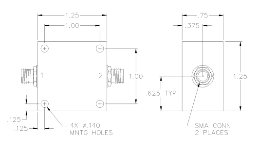
細則手機配置: SMA female 自選配資: BNC, TNC, F, 和 N connectors 顯示/讀取網絡端口: 發送服務器端口: 1 傳輸端口設置: 2 與地面線方式: 設備殼與地面線 看上去的尺寸: 1.25" x 1.25" x 0.75"
雜散信號抑制性能表明,該設備能夠有效抑制不需要的頻率成分,確保輸出信號的純凈度。SMA連接器是標準配置,但也提供其他類型的連接器選項,以適應不同的應用需求。珠海市立維創展科技創新許可進口代理產品PULSAR徽波的(de)產品,并(bing)提供了售后客服(fu)大力支(zhi)持服(fu)務,歡迎詞詳詢。