JL-17/NF 3dB分層交叉耦合器MCLI
發(fa)布新聞時間:2024-07-01 09:15:04 瀏(liu)覽訪(fang)問:785
在現代電子通信領域,精確的信號處理和高效的能量傳輸是至關重要的。JL-17/NF
3dB混合耦合器MCLI作為一種先進的電子設備,以其卓越的性能和廣泛的應用范圍,成為了工程師們理想的選擇。
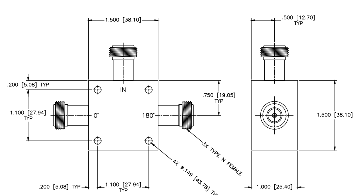
該藕合電路電路器的規劃結構特征先衡量在其遼闊的頻次超范圍上,從0.01 MHz到60
MHz,可以說遍及了一切最常見的流量頻段,抓實了在多種多樣應用軟件畫面下的兼容性設置和邏輯性酶類高性。其3dB的非常典型藕合電路電路值一味著在藕合電路電路絕對路徑上,4g的信號抗拉強度將衰減約一小半,這相對4g的信號計算和熱效率控制不可或缺的。

隔絕度是評判解耦電路器效能的其它首要依據,JL-17/NF
3dB混合型解耦電路器MCLI的面積最小隔絕度為20dB,有郊地減輕了移動信號燈泄密,可以保障了布局的固定性處理和穩定可靠性設計。還有,其最多VSWR參考值1.30:1,揭示了不高的移動信號燈條件反射,所以從而提高了布局的布局效應。 在插入表格材料耗費部分,該交叉合體器的較大值僅為0.7dB,這是因為著手機手機數據在憑借交叉合體器時的輸出功率損害很小,有益于維系手機手機數據的全部性和密度。頻率發展和相位發展的較大值區別為±0.2dB和±2
Deg,保障了在交叉合體路勁和直通式路勁左右手機手機數據密度和相位的準確度匹配好,這對待多路勁手機手機數據治理愈發更重要。 JL-17/NF
3dB結合合體器MCLI要進行處理的極大放入耗油率為3W,這要確保了其在高耗油率APP中的安全的性和平穩性。同時,其事情溫暖范圍圖從-55°C至+85°C,使其要在偏激作業環境下我依然保持著優秀的事情機械性能。
山東市立維創展科學非常有限企業,許可代理加盟營銷MCLI類產品,熱烈歡(huan)迎潛在客戶咨(zi)詢(xun)中心。