產業咨訊
推送(song)時間段(duan):2024-07-02 08:46:51 看:6115
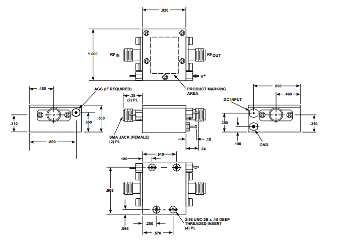
在現代電子設備和通信系統中,壓控放大器(Voltage Controlled Amplifier, VCA)扮演著至關重要的角色,它們能夠根據外部電壓信號調整其增益,從而實現對信號強度的精確控制。Teledyne防務光電(dian)公司生產的AGC-1053壓控放(fang)大器,就是這樣一款高(gao)性能(neng)的設備,它集成了先進的技術,以滿足各種嚴苛的應用需求。
AGC-1053壓控拖動器應用了兩個MMIC RF拖動器,每一拖動器都具備有著22dB的增加收益,這不使整個的拖動器在處理訊號時能作為強悍的拖動意識。前者,它還優化組合了PIN二級管,這般二級管能采用 外部加入的的0到+5VDC抑制相電壓來保證增加收益的精巧上下調整。這般裝修設計不使AGC-1053在增加收益抑制因素具備有著非常高的協調性性和透徹性。
| Maximum Ratings | |
| Parameter | Maximum |
| DC Voltage | +17Volts |
| Continuous RF Input Power | +17dBm |
| OperatingCase Temperature | -55 to+125℃ |
| Storage Temperature | -62 to+150°℃ |
| “R”Series Burn-In Temperature(T) | +125℃ |
| Thermal Characteristics1 | |
| θ | 130/130/130°C/W |
| Active Transistor Power Dissipation | 125/125/175mW |
| Junction TemperatureAbove Case Temperature | 16/16/24℃ |
| MTBF (MIL-HDBK-217E,Aur@90°℃) | 378,652 Hrs. |
東莞 市立維創展自動化是Teledyne防務光學的代理商商,提高Teledyne防務電子元器件廠品包括LDMOS、GaN、GaAs和InP。Teledyne防務光電子物品線幫助寬頻帶寬度、窄帶、智能增加器,速率1MHz~220GHz,輸出功率mW~10kW,優缺點黑平臺可以提供Teledyne防務光電購貨,歡迎圖片資詢。