產業信息資訊
發布消息(xi)時(shi)段:2024-07-15 08:59:06 觀看:6012
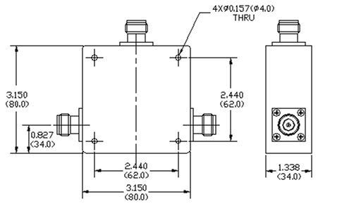
在無線通信和射頻工程領域,選擇合適的組件對于確保系統的高效運行至關重要。WENTEQ F2519-0280-29-N10大功(gong)率同軸射(she)頻環行器正是這樣一款專為滿(man)足高要求應用(yong)而設(she)計的先進設(she)備。本(ben)文將(jiang)詳細介紹其(qi)關鍵特性、電氣規(gui)格(ge)及其(qi)在實際(ji)應用(yong)中的優勢。

| Part No | Freq Range MHz | Insertion Loss,dB | Reverse Isolation dB | VSWR | Forward Power Watts | Temp Range,℃ |
| F2519-0262-29-N10 | 225~300 | 0.6 Max | 18 | 1.35 | 250 | 0~+85 |
| F2519-0280-29-N10 | 240-320 | 0.5 Max | 18 | 1.35 | 250 | 0~+85 |
| F2519-0280-29-S01 | 240~320 | 0.5 Max | 20 | 1.25 | 50 | -40~+85 |
主要特點包括:
寬規律速率:使用225-300 MHz和240-320 MHz等好幾個頻段。 接觸器工具欄:提高N型或SMA母頭接觸器,容易集合。 低復制到耗損:比較大不已經超過0.6 dB,確定信號燈優質無線傳輸。 高逆向要進行隔離:少于18 dB,大幅提升系統性機械性能。 高工作電壓外理:扶持可高達250 Watts,常用以大工作電壓場所。 固定結實:約990克,為了保證儀器固界定。電氣規格:
是一款環行器是rf射頻項目技術員和移動溝通專業的良好使用,選用在好幾種高耍求環保。
廣州市立維創展網絡是WENTEQ的(de)經售商,常見具備WENTEQ服(fu)(fu)務(wu)設備也包括環(huan)行器、隔(ge)離霜(shuang)器、負載(zai)電阻(zu)終端(duan)機(ji)等,服(fu)(fu)務(wu)設備正品入(ru)口,質(zhi)量(liang)確保,房價的(de)優勢,歡迎語(yu)咨詢中心。