制造業咨詢
上(shang)線日期:2024-07-23 08:34:15 搜素:780
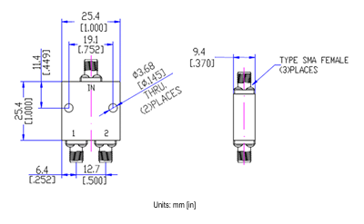
EPD-2L-SF是ELECTRO-PHOTONICS公(gong)司生產(chan)的(de)(de)一款寬帶2路(0°)功率分配器(qi)/合(he)路器(qi),適用于4.0至(zhi)8.0 GHz頻段(duan),在小型(xing)(xing)封(feng)裝中(zhong)提供卓越的(de)(de)性能。該功率分配器(qi)的(de)(de)突(tu)出特點包括低插入損(sun)耗、小型(xing)(xing)尺(chi)寸以及高(gao)隔離度(du),適用于電子戰、雷達、測(ce)試和(he)測(ce)量等領域。

特點及應用
- 4到8GHz頻帶寬度位置內的同相輸出分發 - 緊身設汁 - 低放進去消耗的資金 - 適用性于自動化戰、預警雷達、估測和估測電氣特性
幾率范圍圖: 4.0 – 8 GHz 進到這一領域材料耗費: 極大0.5 dB (Excess IL = Common Port to Output Port IL ) - 3dB) 防護度: 比較小20 dB 駐波比 (VSWR): 1.25 藝術靜態平衡: ± 0.2 dB 相位取舍: ± 2° 公率辦理性能: 單向30 W,反相1 W機械特性
拼接usb接口: SMA (F) 崗位濕度: -55°C 至 +85°C 非事情氣溫: -55°C 至 +100°C 建筑材料/金屬涂層: 鋁合金組成并涂有黑色的氯化橡膠漆聚酯樹脂漆
ELECTRO-PHOTONICS擁用25年的(de)閃避頻(pin)射開關(guan)元件開發與手(shou)工制造(zao)游(you)戲(xi)經驗,的(de)品牌(pai)內容(rong)涵蓋混合物和(he)專向解耦器、功分器、濾波器、檢查板(ban)、隔離霜器、弧(hu)形器等的(de)品牌(pai)。
河(he)南市立維創(chuang)展新材料(liao)技術十分有限平臺加盟代(dai)銷(xiao)Electro-Photonics食(shi)品。假如(ru)需(xu)Electro-Photonics徽波,認可點擊事件(jian)右邊克服找話(hua)題(ti)人(ren)們!!!