互聯網行業內容
發布公告時間間隔(ge):2024-08-07 08:58:58 瀏覽網頁:780

EPD-4L-SF功分器是由ELECTRO-PHOTONICS公司(si)生產的(de)一款(kuan)高性能、寬頻(pin)帶(dai)的(de)4路功(gong)率分配器/組合(he)器。該(gai)產品的(de)主要(yao)特點和規格如(ru)下(xia):
主要特點
方面性: 0° 率使用范圍: 4.0 GHz到8 GHz 比較大所在效率: 30W 高的性能: 能提供低放損失、高屏蔽度、低駐波比(VSWR)和杰出的藝術及相位取舍。 省油的suv圖片尺寸: 設定省油的suv,易于在限制的面積內實用和實用。性能規格
| PARAMETER | SPECIFICATION |
| FREQUENCY RANGE | 4.0-8 GHz |
| EXCESS INSERTIONLOSS* | 0.8dB |
| ISOLATION | 18 dB |
| VSWR | 1.3 |
| AMPLITUDE BALANCE | ±0.3 dB |
| PHASE BALANCE | ±3° |
| POWER HANDLING | Forward:30W |
| Reverse:1W |
應用領域
機械規格
| PARAMETER | SPECIFICATION |
| MATING INTERFACE | SMA(F) |
| OPERATINGTEMP | -55 TO+85℃ |
| NON-OPERATINGTEMP | -55 TO+100 ℃ |
| MATERIAL/FINISH | Aluminum with black epoxy |
| resin paint |
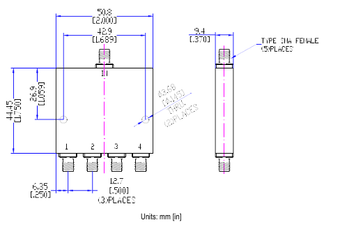
尺寸圖:

ELECTRO-PHOTONICS占有(you)25年的(de)技能頻射零件制(zhi)作(zuo)與(yu)生產相(xiang)關經驗,貨品適用于分層和定向就業合(he)體器(qi)、功分器(qi)、濾波器(qi)、測試軟件板、防護(hu)器(qi)、環(huan)行器(qi)等貨品。
東(dong)莞 市立(li)維創(chuang)展信(xin)息(xi)技術十分有限品牌(pai)代理商二級分銷Electro-Photonics廠品。要(yao)是必須要(yao) Electro-Photonics微波射頻,歡(huan)迎辭打(da)開右(you)測客戶(hu)結合我們公司!!!