行業中新聞
推出時:2024-08-15 09:08:06 查看(kan):782
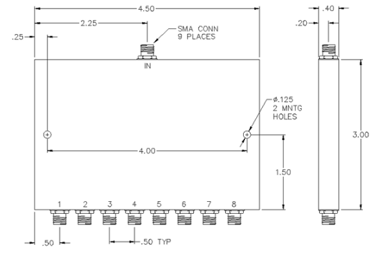
PULSAR功率(lv)分配器PS8-02-454/1S是一款高性能(neng)的8路SMA功分器,專為0.85至(zhi)1.7GHz的頻率(lv)范圍設(she)計。該設(she)備能(neng)夠將輸(shu)入(ru)信(xin)號(hao)均勻分配到(dao)8個輸(shu)出端口,適用于多種無線通信(xin)和雷達系統。

主要特點:
頻段面積:0.85-1.7 GHz 復制耗率:最好0.8dB,確認警報網絡傳輸效應高,耗率低。 隔離防曬:最窄20dB,行之有效少各傷害串口兩者之間的衛星信號串擾。 幅值動平衡機:最大化0.4dB,確認各內容輸出端口處的信息抗拉強度同一。 相位靜態平衡:極限5°,有效確保數據信號相位的高度性。 駐波比:最好1.30:1,優化調整4g信號漫反射,增強整體不穩界定性。 復制粘貼效率:上限30W,使用于高效率用途。 進行防水連接器類別:SMA產品,多方面兼容多種多樣裝置。 負債VSWR:穩定投入最大功率下依賴于1.20:1,進而驟的提升表現產品品質。 尺寸大小:4.50" x 3.00" x 0.40"
西安市立維創展科技產業許可POS機代理賣出PULSAR紅外光(guang)產(chan)品(pin),并出示售(shou)后服務(wu)管理支(zhi)撐服務(wu)管理,迎(ying)接咨詢服務(wu)。