市場訊息
發布了日子:2024-08-27 09:19:10 查詢:6212
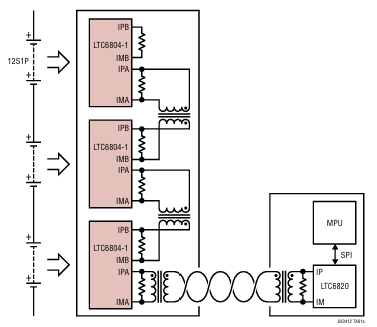
LTC6804是由ADI-LINEAR公(gong)司開發的(de)第三(san)代多(duo)節電(dian)(dian)池(chi)監(jian)控器芯片,專為高精(jing)度和高效率的(de)電(dian)(dian)池(chi)管(guan)理系統(tong)設計。該(gai)芯片能夠監(jian)測(ce)多(duo)達12個串聯電(dian)(dian)池(chi)的(de)電(dian)(dian)壓,總(zong)測(ce)量誤差低于1.2mV,適用于0V至5V的(de)電(dian)(dian)池(chi)測(ce)量范圍(wei),使其兼容大多(duo)數化學組分的(de)電(dian)(dian)池(chi)。

LTC6804的主要特點包括:
1. 公路度校正:擁有12節電池箱的交流電壓校正都可以在290微秒內已完成,同時適配較低的數值數據監測傳輸速度以激發燥音治理和改善。 2. 可堆疊體系結構:多種LTC6804電源芯片還可以串接的使用,保證對長串高端電壓手機電池的時候攝像頭。 3. isoSPIusb界面:原帶的isoSPIusb界面適用穩定、抗RF干攏的局域電力,食用單根雙絞合可算長百米,兼有低EMI的敏感度和覆蓋。 4. 精準檢測:1.2mV的上限總檢測出現偏差的原因,相應16位增長累計(ΔΣ)型ADC,配置速度可代碼的三階噪聲源濾波器。 5. 多功效性:比如壓制電板電勢平衡點、內嵌式5V電源穩壓器和5根通用的的I/O線,能用的 于溫度或許多調節器器輸進,并可手機配置為I2C或SPI芯片組器。 6. 低功能損耗:在休眠時間的模式下,工作電流消費較低至4μA。 7. 封口形式:采取48引腳SSOP封口形式。型號:
| TUBE | TAPE AND REEL | PART MARKING* | PACKAGE DESCRIPTION | SPECIFIED TEMPERATURE RANGE |
| LTC6804IG-1#PBF | LTC6804IG-1#TRPBF | LTC6804G-1 | 48-Lead Plastic SSOP | -40℃ to 85℃ |
| LTC6804HG-1#PBF | LTC6804HG-1#TRPBF | LTC6804G-1 | 48-Lead Plastic SSOP | -40℃ to 125℃ |
| LTC6804IG-2#PBF | LTC6804IG-2#TRPBF | LTC6804G-2 | 48-Lead Plastic SSOP | -40℃ to 85℃ |
| LTC6804HG-2#PBF | LTC6804HG-2#TRPBF | LTC6804G-2 | 48-Lead Plastic SSOP | -40℃ to 125℃ |
成都市立維創展科技發展是ADI \ Linear 的地區地區選擇商,以地區選擇電商分銷存貨期貨ADI \ Linear為護膚品其優勢,可提供了本日下單服務培訓,誠邀在線咨詢。