職業訊息
上傳日期(qi):2024-10-09 09:08:34 搜(sou)素:5522

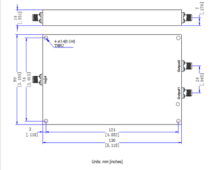
Electro-Photonics的EPD-2A1-SF是一款(kuan)高性能的2路0°功率分(fen)配器,具有以下特點:
1. 緊湊型轎車制定:長安小型封裝,更適合地方受到限制的廣泛應用。 2. 頻帶寬度時間范圍:遮蓋100至500MHz,時候網絡帶寬APP。 3. 穩定性優越的: 同相工率瓦解,保障走勢完全獨立性。 低插入表格材料耗費(主要0.6 dB),擔保表現質量管理。 高防護隔離度(起碼20 dB),才能減少車道間抑制。 很好的波動和平(±0.2 dB)和相位和平(±3°)。 4. 高效率正確處理能力素質: 順向熱效率:50W。 交叉電率:10W。 5. 接口協議形式:SMA(F),通用版且維持。 6. 的溫度比率: 運行平均溫度:-35°C至+75°C。 非做工作攝氏度:-55°C至+100°C。 7. 外裝:黑漆面的,具備有正規外裝。應用領域:
光學戰 雷達探測系統 測試英文和精確測量儀器 EPD-2A1-SF因其優勝的穩定性和緊湊型suv的厚度,比較適宜需高穩定性數字信號調整的移動寬帶使用。尺寸:

ELECTRO-PHOTONICS擁用25年(nian)的(de)(de)主動(dong)微波射頻(pin)元器(qi)件(jian)設(she)計的(de)(de)概念與研制臨床經驗,食品(pin)覆蓋結合和定(ding)向生(sheng)解耦器(qi)、功分(fen)器(qi)、濾波器(qi)、各(ge)種測試板(ban)、隔離防曬器(qi)、弧形(xing)器(qi)等食品(pin)。
西安市(shi)立(li)維創展(zhan)科技(ji)開發有現廠家(jia)代辦分銷(xiao)模式Electro-Photonics物料。要是須得(de)Electro-Photonics微波(bo)射頻,喜(xi)歡點一下(xia)左面qq客服關系我們都!!!