MAAD-011021-0GPDIE號碼衰減器外盤庫存管理MACOM
發布(bu)了(le)時光:2024-10-15 17:37:16 閱(yue)覽(lan):695
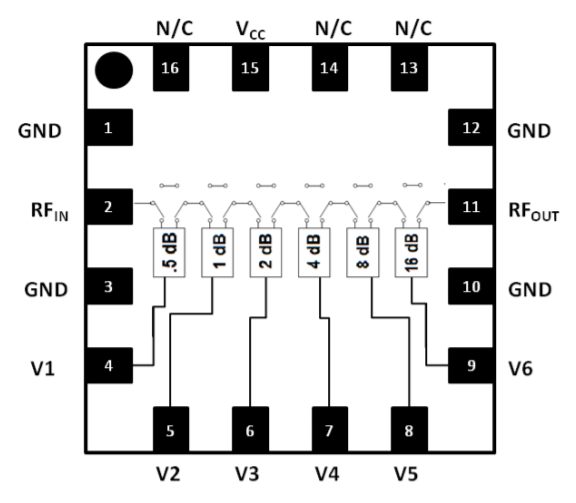
MACOM的MAAD-011021-0GPDIE是款覆蓋DC至30 GHz的寬帶6位數字衰減器。衰減位值為0.5 dB LSB(最低索引值)、1、2、4、8和16 dB,總衰減為31.5 dB。MAAD-011021-0GPDIE衰減偏差通常低于+/-0.5 dB,RMS相位偏移在20 GHz時低于5度,典型插入損耗在15 GHz時為7.2 dB。在大多數頻率和衰減情況下,插入損耗一般為12dB。
MAAD-011021-0GPDIE衰減器結合化另一種調頻器,支持系統對串接/電容串聯衰減控制單調化操控性。調頻器要有-5V打開電(VCC)和17mA的主要表現交流電量,結構性為0V/+5V。MAAD-011021-0GPDIE可以作為為裸片作為;

的特征6位,0.5 dB LSB,31.5 dB用到范圍之內低均方根相位4.3°@20 GHz+/-0.5 dB典型示范次方偏離智能家居控制TTL 0/+5V反控DC至30 GHz運行幾乎所有控制與偏壓的ESD保護區無鉛3mm 16管腳PQFN芯片封裝品牌尺寸說:數子衰減器,6位,0.5 dB LSB步幅低點幀率(MHz):0至高幾率(MHz):30000衰減器運用空間(dB):31.5插入表格耗損(dB):6.000六位數:6IIP3(dBm):38封裝:3mm PQFN-16LD封裝類型類:塑膠片接觸面貼裝科技ROHS:YES成都市立維創展現代科技受權經銷商MACOM產品線,關鍵產生MACOM的可變氣門正時收獲控制調小器,輸出電率調小器,低低頻噪音調小器,規則化調小器,相溶調小器,FTTx調小器,劃分式調小器,調小器收獲控制信息模塊,有源分離出來器,功分器,倍頻器,相溶式混頻器,混頻器,上直流變頻空調器,號碼5衰減器,號碼5移相器,輸出電率質量檢驗器,壓控衰減器等四種半導體器件。如需購賣MACOM產品,請選擇左下客服中心聯系!!!