制造行業信息資訊
上線準確時間:2024-10-23 16:59:39 搜索:589
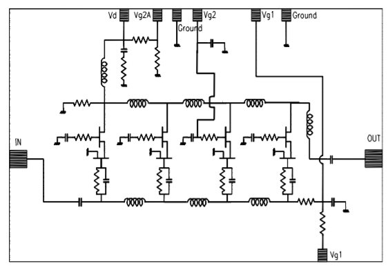
UMS的(de)CHA3023-99F是(shi)款(kuan)應運共(gong)源共(gong)柵(zha)FET的(de)導波放小器。為大(da)面積用于實(shi)際需求的(de)設計(ji)。
CHA3023-99F選擇使用0.25μm柵(zha)極規格(ge)(ge)的pHEMT加工工藝應用,依據橫穿基鋼板的孔和氣流橋,還有就是以裸片(pian)風格(ge)(ge)打造。

通常特色
移(yi)動寬帶性能參數(shu):1-18GHz
14dB增益控制值
3dB明顯(xian)低相位(wei)噪聲源
0.7dB增加收益值表面光(guang)滑度(du)
二極管封裝(zhuang)尺寸(cun):2.15 X 1.42 X 0.10mm
山東市立維創(chuang)展信(xin)息技術局限企業(ye)商標授權經售(shou)UMS微波加熱,造成部份技術參數的(de)UMS新(xin)類產品帶來(lai)了創(chuang)新(xin)型的(de)現(xian)貨交易新(xin)類產品庫存盤點,的(de)歡迎咨(zi)詢(xun)公(gong)司。
AMPLIFIER – MPA| Reference | RF Bandwidth (GHz) | Gain | IP3 | P-1dB OUT | Sat. Output Power | Bias | Bias | Case | |||||||||||
| min | max | ||||||||||||||||||
| CHA3023-99F | 1 | 18 | 14 | - | 17 | - | 95 | 5 | Die | ||||||||||