業方式
公布日期:2024-10-31 17:21:25 訪問 :577
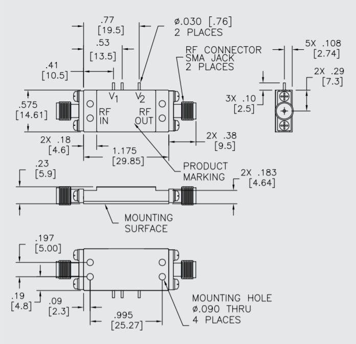
A2CP11039頻射增加器有的是款源于Teledyne防務電子無線生孩子研制的高耐腐蝕性放小器,有高至12 dB的增益值區間和4dB低相位的噪音,頻繁 區間從5.0-10.0 GHz。A2CP11039微波射頻擴大器作為電力體系、機載汽車雷達和電子器材戰體系等需要精密加工五金增益值操控和高效性補救的用途。

基本參數
過寬頻:5.0-10.0 GHz
高增益控制(zhi):12.0dB
低相位背景(jing)噪聲:4.0dB
高耐腐蝕性塑料薄膜
高工作功(gong)率兩極CougarPak?
互特性能
經典(dian)@25°C A2CP11039
二階諧波斷(duan)開(kai)點+63 dBm
二階雙音攔(lan)截(jie)點+57 dBm
三階雙(shuang)音截留(liu)點42 dBm
千(qian)萬(wan)最(zui)高的(de)(de)人額定的(de)(de)值
儲藏氣溫-65至+150℃
最快(kuai)殼體的溫(wen)度+125℃
極(ji)高直流電壓值電壓值+14伏(fu)
最(zui)好(hao)連續式rf射頻輸人工作效率+20 dBm
進行燃燒濕度(du):125℃
熱導率1(θjc):4.5°C/W
結溫度(du)升高高與(yu)(Tjc):88.4℃
鄭州市立維創展現代科技是Teledyne防務電子設備的總經銷商商,展(zhan)示Teledyne防務(wu)微電(dian)(dian)子(zi)(zi)(zi)食(shi)品分(fen)為(wei)LDMOS、GaN、GaAs和InP。Teledyne防務(wu)電(dian)(dian)子(zi)(zi)(zi)為(wei)了滿足電(dian)(dian)子(zi)(zi)(zi)時代發展(zhan)的需求,成品適配寬(kuan)頻段、窄(zhai)帶、電(dian)(dian)磁放(fang)小器,頻繁(fan) 1MHz~220GHz,熱效率mW~10kW,長處的渠道提拱Teledyne防務(wu)電(dian)(dian)子(zi)(zi)(zi)技術購貨,喜歡資訊。