制造行業內容
發布信息時:2024-11-04 17:01:59 搜索:697
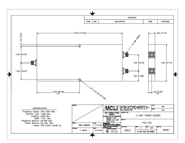
MCLI應具高可信度性的PS2-185帶狀線2路24v電源分配比例器,掌握表現出色的外形尺寸形號,掌握光纖傳輸聯通寬帶聲音頻率標準、高隔開、低嵌入耗損、低VSWR、低效率和高效率避免措施.PS2-185帶狀線2路主機電源調整器可以經由不一在材質的節構,如帶狀線、微帶和集總集成電路芯片方式方法來可用來于各個需求分析和應該用。

優點
分離出來式:正向
相防(fang)水連接器:SMA母頭(tou)
較低幀率區域(GHz):0.1
較高速率標準(GHz):1
進到這一領(ling)域消(xiao)耗的(de)資(zi)金(dB):1.2
防護隔離度(dB):20
駐波(bo)比:1.70:1
駐(zhu)波比輸入:1.70:1
震幅穩定:0.5
相位動態平衡:6
閥值最大(da)功率(W):10
廣(guang)州市立(li)維創(chuang)展現代(dai)科技現有(you)裝(zhuang)修公司(si)授(shou)權書批發商市場(chang)銷售(shou)MCLI廠品,MCLI其所(suo)迅速高的制作(zuo)工藝和(he)(he)(he)原(yuan)料料庫存管(guan)理優缺(que)點,就能夠實現目標迅速出產和(he)(he)(he)研制。MCLI滿足ISO 9001:2000證書標準,并用了MIL-I-45208和(he)(he)(he)MIL-Q-9858A證書。誠邀資(zi)詢。