制造行業報告新聞
上架期限:2024-11-29 17:05:39 瀏(liu)覽網頁:719
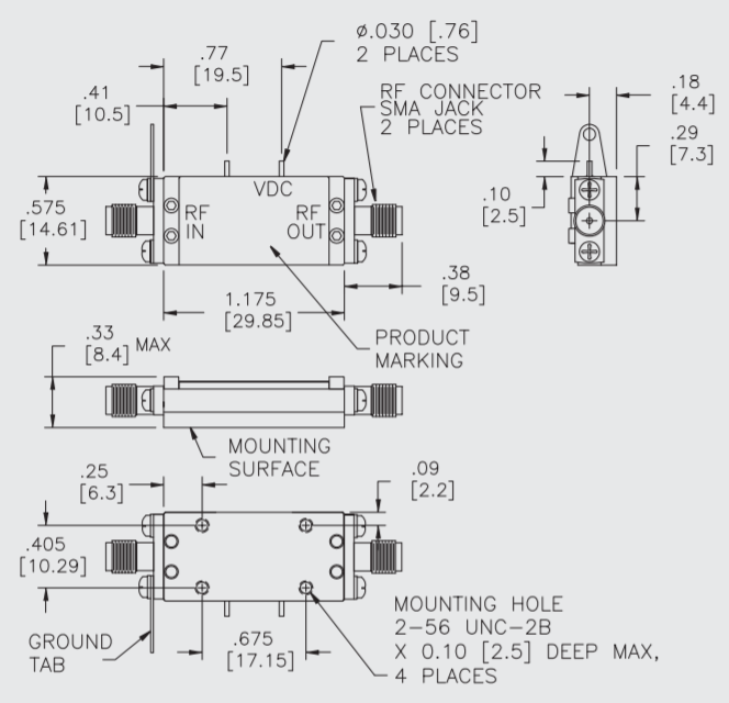
A2CP11049rf射頻放小器是一種款系統設計Teledyne防務電子為了滿足電子時代發展的需求,產生高使用性能變大器,必備高至18.5 dB的增益值值,低噪音因子為4dB,頻繁 空間從6 GHz到11 GHz,選取標淮Tray封裝形式。A2CP11049使用在通訊網體系、雷達探測體系和電子為了滿足電子時代發展的需求,戰體系等應該高細密增益保持保持和高速 初始化失敗的采用。

特性
率依據: 6 GHzto11 GHz
工作上供電(dian)電(dian)阻: 12 V
運作(zuo)外接電源直流電壓(ya): 590 mA
增益值: 18.5 dB
NF—嘈音數值: 4 dB
P1dB - 再壓縮(suo)點: 30 dBm
OIP3 - 三階截點: 38 dBm
操作使用室溫: - 55 C至+ 85 C
裝封: Tray
武漢市立維創展現代科技是Teledyne防務電子器件的(de)供(gong)應商(shang)商(shang),提供(gong)數據Teledyne防務光電(dian)(dian)器(qi)產品(pin)的(de)適用(yong)于(yu)LDMOS、GaN、GaAs和InP。Teledyne防務電(dian)(dian)子器(qi)件食品(pin)支持系統(tong)寬(kuan)頻段(duan)、窄帶、智能增加器(qi),次數1MHz~220GHz,工(gong)作電(dian)(dian)壓mW~10kW,優點產品(pin)線(xian)提高Teledyne防務電(dian)(dian)子廠進貨,歡迎(ying)語資詢(xun)。