行業領域訊息
上傳時長:2024-12-03 17:15:10 預覽:692
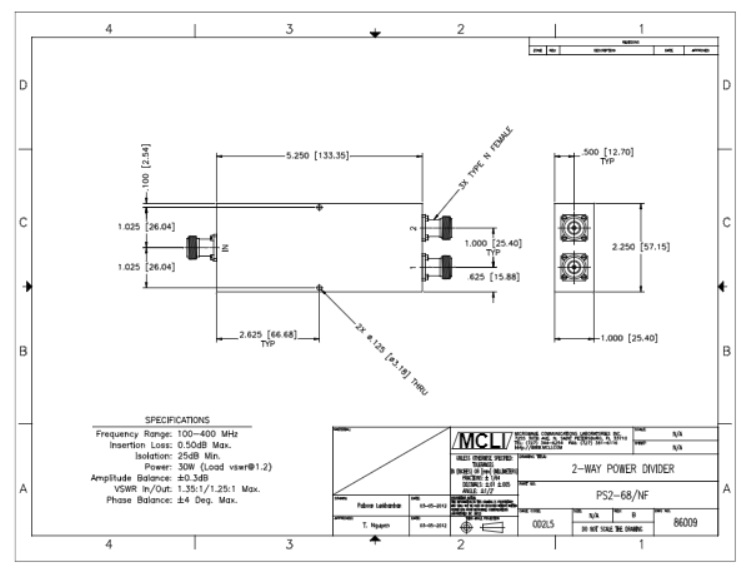
PS2-68/NF帶狀線2路交流電源分配比例器械備優異的的金橋銅業跨接線的截面積大小因素,提高微信網絡光纖傳輸規律面積、高隔離、低添加耗費、低VSWR、低頻率和高公率避免徹底解決。PS2-68/NF帶狀線2路開關電源分攤器可能在不相同手段的的結構,如帶狀線、微帶和集總配件價格手段來大量不適使用要和使用。

表現
分體式式:雙項
聯系器:N母頭
保底頻次位置(GHz):0.1
高達幾率規(gui)模(GHz):0.4
復(fu)制到(dao)材料耗費(fei)(dB):0.5
防(fang)曬隔(ge)離(li)霜度(dB):25
駐波比:1.35:1
駐波比(bi)模擬輸(shu)出:1.25:1
震幅均衡性:0.3
相位穩定性:4
峰峰值功效(W):30
廣州(zhou)市(shi)立維創(chuang)展科技(ji)有(you)效(xiao)單位有(you)效(xiao)單位授權許可代賣出MCLI物料(liao),MCLI其(qi)所迅速高效(xiao)、性(xing)價(jia)比最高的(de)加工過程和(he)原涂料(liao)料(liao)貨源(yuan)資(zi)源(yuan)優勢(shi),就能(neng)夠(gou)變現迅速生產和(he)產生。MCLI適合(he)ISO 9001:2000認真標準(zhun),并利(li)用了(le)MIL-I-45208和(he)MIL-Q-9858A身份認證。受(shou)歡迎咨(zi)詢了(le)解。。