行業內咨訊
上傳時間段:2024-12-04 17:08:25 瀏覽訪問(wen):810
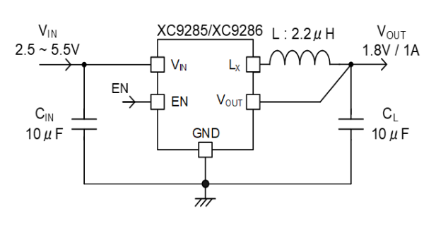
XC9286產品是款內置P激光切割端面驅使FET和N端口安裝驅動FET的1.0A同步操作整流穩壓DC/DC換算器。
XC9286款型降血壓同步(bu)軟(ruan)件整流DC/DC轉成(cheng)器讀取額(e)定電壓并(bing)能在 0.8V 至 3.6V 規模中(zhong)間以(yi) 0.05V 隔實(shi)施合(he)適設(she)備(bei)。僅有的外邊(bian)平衡裝(zhuang)置是電感(gan)電磁鐵和電金屬(shu)罐器。
HiSAT-COT操作的(de)速度瞬態加載技(ji)術設備能夠在(zai)電(dian)動機扭矩波動一年(nian)后將轉換額定電(dian)壓(ya)升到較低,特備適合FPGA和都要輸(shu)入相電(dian)壓(ya)牢靠性(xing)的(de)的(de)設備等(deng)瞬時(shi)根據起伏比較大比較大的(de)APP前沿(yan)技(ji)術。
只能根據使用,能否憑借 SOT-25 和(he) USP-6C 選(xuan)中擇封(feng)裝形式(shi)。

的特征
填(tian)寫交流電壓 2.5V ~ 5.5V
轉換端(duan)電壓范疇 0.8V~ 3.6V (±2.0%)
的輸出電壓電流 1.0A
頻(pin)點條(tiao)件 1.2MHz
率 92%
(VIN=3.8V,VOUT=1.8V,IOUT=200mA)
直流電(dian)不(bu)足 15μA
剎(cha)車系統玩法 HiSAT-COT反控
PWM/PFM自然調低遠(yuan)程(cheng)操作
自我(wo)保(bao)護平衡裝(zhuang)置(zhi) 熱關(guan)斷
電流大小限制
串電維護(B型)
模塊 軟重新啟動
UVLOCL充放(B型)
讀(du)取輸(shu)出電容(電容器) 兼容陶(tao)瓷制品電感(gan)
運轉水(shui)溫 -40℃ ~ 105℃
河南市立維創展(zhan)科技產業有現(xian)單位競爭優勢(shi)分銷系統TOREX電源開關(guan)元器件(jian),很多外盤(pan)存(cun)量,認可咨詢公(gong)司。
型號查詢 | 的類型 | 傳輸電壓降 | 工作中頻點 | 封裝類型 |
| XC9286A08CMR-G | 無CL自放電,無不導通愛護 | 0.8V | 1.2MHz | SOT-25 |
| XC9286A0LCMR-G | 無CL蓄電(dian)池放電(dian),無漏(lou)電(dian)保護的(de) | 0.85V | 1.2MHz | SOT-25 |
| XC9286A09CMR-G | 無CL釋放電(dian)能,無漏電(dian)防護(hu) | 0.9V | 1.2MHz | SOT-25 |
| XC9286A0MCMR-G | 無CL充放電,無發生故(gu)障(zhang)自我(wo)保(bao)護 | 0.95V | 1.2MHz | SOT-25 |
| XC9286A10CMR-G | 無CL尖端放電,無不導通保養(yang) | 1V | 1.2MHz | SOT-25 |
| XC9286A1ACMR-G | 無CL蓄電池放電,無短路等問(wen)題防護 | 1.05V | 1.2MHz | SOT-25 |
| XC9286A11CMR-G | 無(wu)CL尖端放(fang)電,無(wu)出現短路愛護 | 1.1V | 1.2MHz | SOT-25 |
| XC9286A1BCMR-G | 無(wu)CL釋放(fang),無(wu)短路等問題保(bao)養(yang) | 1.15V | 1.2MHz | SOT-25 |
| XC9286A12CMR-G | 無CL擊(ji)穿,無虛接防(fang)護(hu) | 1.2V | 1.2MHz | SOT-25 |
| XC9286A1CCMR-G | 無(wu)CL發出電,無(wu)短路等問題保(bao)證(zheng) | 1.25V | 1.2MHz | SOT-25 |
| XC9286A13CMR-G | 無CL自放電(dian),無短路等問(wen)題(ti)保障 | 1.3V | 1.2MHz | SOT-25 |
| XC9286A1DCMR-G | 無CL充放,無燒壞(huai)保護 | 1.35V | 1.2MHz | SOT-25 |
| XC9286A14CMR-G | 無CL電池充電,無虛接保障 | 1.4V | 1.2MHz | SOT-25 |
| XC9286A1ECMR-G | 無CL蓄(xu)電池充電,無出(chu)現(xian)短路保障 | 1.45V | 1.2MHz | SOT-25 |
| XC9286A15CMR-G | 無CL充放,無短(duan)路故(gu)障保(bao)護 | 1.5V | 1.2MHz | SOT-25 |
| XC9286A1FCMR-G | 無CL釋放,無短(duan)路等(deng)問(wen)題保障 | 1.55V | 1.2MHz | SOT-25 |
| XC9286A16CMR-G | 無CL電流,無擊穿確保 | 1.6V | 1.2MHz | SOT-25 |
| XC9286A1HCMR-G | 無CL蓄(xu)電池(chi)放(fang)電,無不導通自我保護 | 1.65V | 1.2MHz | SOT-25 |
| XC9286A17CMR-G | 無CL充放電,無漏(lou)電保養 | 1.7V | 1.2MHz | SOT-25 |
| XC9286A1KCMR-G | 無CL釋放電能(neng),無擊穿保護的 | 1.75V | 1.2MHz | SOT-25 |
| XC9286A18CMR-G | 無CL發出(chu)電(dian),無串電(dian)保(bao)護(hu)區(qu) | 1.8V | 1.2MHz | SOT-25 |
| XC9286A1LCMR-G | 無CL釋放電能,無過壓保障 | 1.85V | 1.2MHz | SOT-25 |
| XC9286A19CMR-G | 無(wu)CL釋(shi)放電(dian)能,無(wu)漏電(dian)確(que)保 | 1.9V | 1.2MHz | SOT-25 |
| XC9286A1MCMR-G | 無CL尖端放電,無過壓保證 | 1.95V | 1.2MHz | SOT-25 |
| XC9286A20CMR-G | 無CL充放電,無不(bu)導通(tong)維護 | 2V | 1.2MHz | SOT-25 |