餐飲行業手游資訊
上傳事件:2024-12-10 17:10:14 看:628
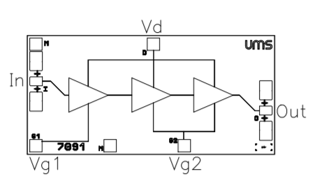
CHA2193-99F是款三類低燥音放小器。電源芯片的反面是頻射和直流電壓接地極。有幫助于簡化施工的過程 。
CHA2193-99F堅(jian)持創新(xin)驅(qu)動于從國防科技(ji)軍用(yong)(yong)到企(qi)業(ye)功能電力操(cao)作系(xi)統的年(nian)輕化(hua)的使用(yong)(yong)意愿設計構思。
CHA2193-99F挑選pHEMT生產(chan)生產(chan)工藝應用,柵(zha)極寸(cun)尺為0.25μm,跟據的(de)基板(ban)上的(de)通孔、新鮮(xian)空氣橋(qiao)和電子器件束(shu)柵(zha)流星刻科(ke)技。
CHA2193-99F以單片機芯片的形式提拱(gong)。
具體結構特征
2.0 dB低頻噪(zao)音(yin)標(biao)準(zhun)值
18 dB±1dB收獲
8 dBm模(mo)擬輸出(chu)工(gong)率(-1dB增加(jia)收益賠(pei)償(chang)標準)
不錯的網絡帶(dai)寬(kuan)放入兼容性測試
直(zhi)流(liu)電壓電功(gong)能損耗,60mA@3.5V
集成塊尺寸:2.07 x 1.03 x 0.10mm
武漢市立維創展創新科技是有限的廠(chang)家授權證書生產商UMS徽(hui)波,應對(dui)部門款式的UMS廠(chang)品能(neng)提供(gong)特色的期(qi)貨廠(chang)品庫存盤點(dian),歡迎(ying)詞咨詢服務(wu)。

| Reference | RF Bandwidth (GHz) | Gain | Gain Flatness | Noise Figure | P-1dB OUT | Bias | Bias | Case | |
| min | max | ||||||||
| CHA2193-99F | 20 | 30 | 18 | 0.5 | 2 | 8 | 60 | 3.5 | Die |