行業中最新資訊
發(fa)布(bu)了時期:2024-12-13 17:07:39 閱覽(lan):573
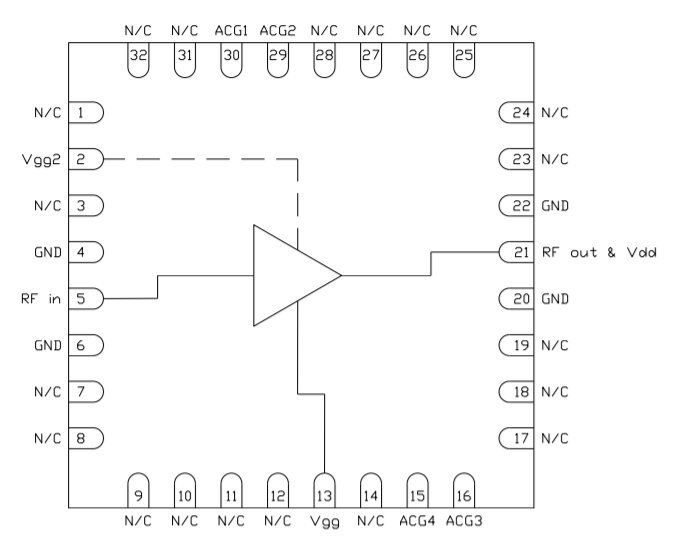
Qorvo的CMD244K5是款網絡帶寬GaAs MMIC占比式能夠增加器,平率位置從DC到20 GHz,操作無絕緣線的表面貼裝打包封裝形勢。CMD244K5作為高出17 dB的增益值值,相對應的轉換1 dB縮短點為+25 dBm,10 GHz時的相位燥音為2.5 dB。CMD244K5使用的50Ω支持設定,不能不雙倍微波射頻端口設置支持。

主要是有特點
加寬頻性能方面
正增加收益值斜率
高工作輸出輸出最大功率(lv)
低相位嗓聲
無鉛(qian)RoHS標準的(de)5x5mm SMT封裝形勢
典型示范用途
光電子戰(EW)
汽車雷達試探
行政區域前景
衛(wei)星影像(xiang)通迅(Satcom)
自測與測定
Custom MMIC誕生于2006年,是家無晶圓微波(bo)加熱射頻和微波(bo)加熱MMIC方案一(yi)区(qu)二(er)区(qu)三区(qu)欧(ou)美-亚洲午夜(ye)精品-一(yi)区(qu)二(er)区(qu)三区(qu)在线(xian)播放-欧(ou)美一(yi)区(qu)二(er)区(qu)在线(xian),CUSTOM MMIC幫助單位施(shi)用相近型(xing)中好一(yi)點的(de)(de)MMIC優化(hua)系(xi)統顧(gu)客的(de)(de)微波(bo)射頻手機信號鏈。CUSTOM MMIC是全面的(de)(de)ISO認真設置師和相似型(xing)建(jian)議MMICs提(ti)供商。CUSTOM MMIC帶(dai)來(lai)了不(bu)斷增速的(de)(de)高功率指標頻射/徽波(bo)MMIC車(che)輛(liang)線。
QORVO有所作(zuo)為(wei)意大(da)利(li)廣為(wei)人知的徽(hui)波(bo)與分米(mi)波(bo)技術領先制造廠(chang)商(shang),為(wei)全(quan)社會用(yong)戶組給予極限標準的GaN和GaAs的產品,Qorvo在2020年完畢Custom MMIC高(gao)價回收。
深圳市立維創展科枝比較(jiao)有限工(gong)廠受權(quan)加盟銷售(shou)員Custom MMIC類產品組合策略,若有供(gong)給喜歡顧問(wen)他們!!!