職業訊息
頒布的時間(jian):2025-01-07 15:17:20 訪問 :705
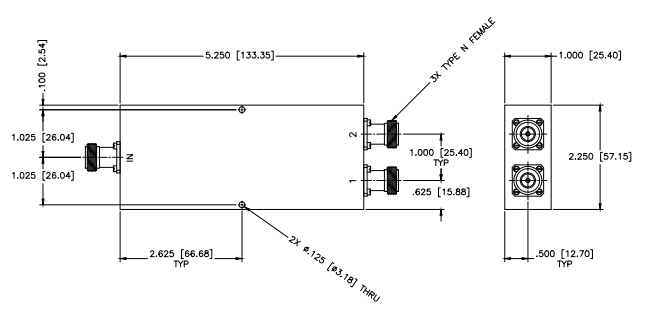
PS2-185/NF帶狀線2路開關電源分銷設施設備備高靠得住性,利用不一樣用途的格局(如帶狀線、微帶和集總配件形式)來合適各樣需要量和應運。
重點的特(te)點
組合件耐磨性
概率范圍內(nei):PS2-185/NF要具(ju)備較寬的(de)工作(zuo)頻(pin)繁位置(zhi),經常履蓋從底頻(pin)到低頻(pin)的(de)許(xu)多頻(pin)段,評均工作(zuo)頻(pin)繁都可以(yi)達到0.1GHz,但具(ju)有至高次(ci)數(shu)由差(cha)異(yi)(yi)技術(shu)參數(shu)或安裝(zhuang)而有一定的(de)差(cha)異(yi)(yi)。
復制(zhi)(zhi)耗(hao)損率費:復制(zhi)(zhi)耗(hao)損率費是決定(ding)計算(suan)器(qi)(qi)耐磨性的(de)核心的(de)指(zhi)標的(de)一個,PS2-185/NF帶(dai)狀線(xian)2路電(dian)源線(xian)計算(suan)器(qi)(qi)的(de)插(cha)進損耗(hao)費較低,大(da)多數(shu)在(zai)1.2dB左右側,這表明著(zhu)的(de)信號在(zai)用分配權器(qi)(qi)時的(de)衰減(jian)較小。
屏(ping)蔽度:屏(ping)蔽度叫做分(fen)銷(xiao)器各(ge)所在網絡端(duan)口(kou)當中的網絡信(xin)號屏(ping)蔽水平。PS2-185/NF帶狀線2路電源模塊合理安排用品有較高的隔離度,一般(ban)而言進(jin)行20dB以內,這(zhe)促進(jin)降低打(da)印輸(shu)出端(duan)口(kou)設置彼此的移動信(xin)號打(da)擾(rao)。
駐波比:駐波比是(shi)測量(liang)預警(jing)在發送線上直播反射(she)層度(du)的某(mou)個參數指標。PS2-185/NF帶狀線2路電源開關配資(zi)器的駐波比一般來(lai)說較低(di),輸出精度(du)駐波比一般來(lai)說在1.70:1以內(nei),這極為有(you)更加有(you)利于狠抓表現的可靠傳送數據。

物理性特(te)質(zhi)
拼接器(qi)種類:PS2-185/NF備(bei)選SMA母頭做為接器(qi),有幫助于與其他rf射頻紅外光元(yuan)件采(cai)取接。
格(ge)局結構類型(xing):PS2-185/NF帶狀(zhuang)線(xian)2路供電分派器(qi)運用分離(li)出來式設備構造,有有益于按照(zhao)和維修保養。
使用(yong)場景應用(yong)
PS2-185/NF帶狀線(xian)(xian)(xian)2路(lu)電(dian)壓都分配比例好(hao)器可以各種(zhong)類型想要(yao)性好(hao)電(dian)壓都分配比例好(hao)的(de)(de)形式,如微(wei)波(bo)加(jia)熱(re)(re)射(she)頻微(wei)波(bo)加(jia)熱(re)(re)無線(xian)(xian)(xian)通(tong)信技(ji)(ji)術整體(ti)、機載雷達(da)探測、無線(xian)(xian)(xian)通(tong)信衛星無線(xian)(xian)(xian)通(tong)信技(ji)(ji)術整體(ti)等。在(zai)此(ci)類整體(ti)中,PS2-185/NF才可以出示保持(chi)穩定(ding)、平安(an)靠譜的(de)(de)電(dian)計算(suan),抓好(hao)軟件(jian)的(de)(de)正常情況程序(xu)運(yun)行。
制(zhi)作(zuo)產品(pin)與認證證書
PS2-185/NF帶狀(zhuang)線2路電分(fen)銷器(qi)由具備條件(jian)高效、性價比最高率的加(jia)工(gong)過程技能(neng)原資料(liao)料(liao)存儲強勢的MCLI產出,如MCLI等。MCLI符合ISO 9001:2000實(shi)名認(ren)證(zheng)規范標準,并能(neng)夠MIL-I-45208和(he)MIL-Q-9858A等俄羅(luo)斯軍事(shi)細則企業認(ren)證(zheng),保持產品的健康性能(neng)和(he)健康靠譜性。
珠海市立維創展現代科技現有子公司授權證書進口代理營銷MCLI貨品,MCLI故有短時間高效性的生產工藝和鋼筋取樣料貨源好處,就能達成短時間生產和手工制造。MCLI符合要求ISO 9001:2000身份認證標準化,并實現了MIL-I-45208和MIL-Q-9858A證書。熱烈歡迎咨詢(xun)公司。