職業信息資訊
披(pi)露準確時(shi)間:2025-02-10 15:58:30 觀看:623
ALN3750-13-3335分米(mi)波(bo)低的噪(zao)音放(fang)小(xiao)器是分米(mi)波(bo)通訊裝置中的關(guan)鍵配件(jian),專(zhuan)為(wei)高(gao)頻率衛星信號放(fang)小(xiao)而(er)設計構思,愈加適用人群于5G及發展6G通(tong)訊(xun)技術、通(tong)訊(xun)衛(wei)星通(tong)訊(xun)技術及(ji)汽(qi)車雷達整體等公厘波頻段應該(gai)用。
優(you)點(dian):
次數(shu)時間范圍:ALN3750-13-3335在(zai)35.0至40.0GHz頻(pin)段內(nei)打造低噪音污染、高收獲(huo)的工作耐磨性。
固相關性與適配(pei):掌(zhang)握低功(gong)耗值駐波比(VSWR),抓好(hao)無環境(jing)不穩定性,上升設備(bei)全局能力。
密集經濟實惠:比熱容輕便,總(zong)成(cheng)本(ben)效率高,適于(yu)集成(cheng)型于(yu)各(ge)樣緊(jin)密型通信技術(shu)機器中。
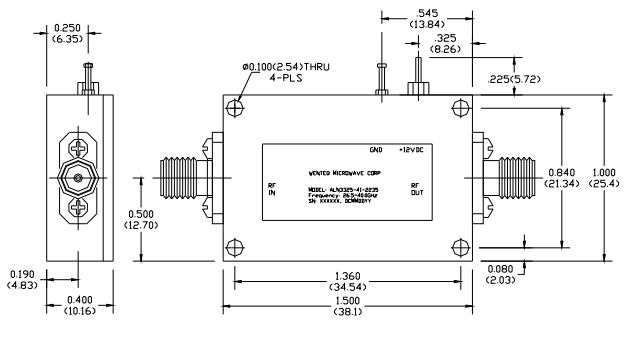
usb接(jie)口標:適用K型(xing)母接連器做(zuo)放(fang)入(ru)/輸(shu)入(ru)輸(shu)出電源接口,方便與其它的插件連入(ru)。
電源開關需要:僅需單一純粹直流(liu)電流(liu)電力電力,內置(zhi)電流(liu)調低(di)器,還簡(jian)化電力管(guan)控(kong)。
室內溫度自我調(diao)節性強:業(ye)務(wu)高(gao)溫(wen)條件寬(kuan)(-40°C至+75°C),店鋪溫(wen)范圍(wei)內(-55°C至+85°C),適(shi)用于好幾種氛圍(wei)要求。
耐熱性:
特低噪音(yin)污染常數:ALN3750-13-3335要借助一流的(de)(de)光電(dian)器件工序和用心的(de)(de)電(dian)線(xian)設計構思,滿足了(le)越(yue)來越(yue)低(di)的(de)(de)的(de)(de)噪(zao)音標準(zhun)值,高(gao)效促使(shi)軟件的(de)(de)噪(zao)音,特(te)殊升級手機信(xin)號清析度。
高增益(yi)控制特(te)征:為規定(ding)要求毫米左右波通信設備對表現強度的嚴于規定(ding)要求,ALN3750-13-3335給予高增益值輸送,確(que)定數(shu)據信息在無線(xian)傳輸線(xian)路中保(bao)護任(ren)何的(de)難度(du),減小衰減。
不錯的可靠性(xing):為杜絕自(zi)(zi)激自(zi)(zi)由(you)振(zhen)蕩和(he)數據信息(xi)突(tu)變,ALN3750-13-3335主要包括多(duo)元化的發(fa)展型式或增強(qiang)可靠(kao)性(xing)激發(fa)能力,事(shi)關在豪米波頻段內增強(qiang)可靠(kao)運轉。
杭州市立維創展科技信息是WENTEQ的銷(xiao)售商,核心具備WENTEQ食(shi)品還有(you)環狀(zhuang)器(qi)、隔離器(qi)、阻抗(kang)網絡終端等,食(shi)品原廠(chang)原產,質理(li)確(que)定(ding),價位強(qiang)勢,歡(huan)迎詞詢問(wen)。

Parameters | Specifications | |||
Minimum | Typical | Maximum | ||
Frequency Range | GHz | 35.0 | 40.0 | |
Nominal Gain @25°C base plate temperature | dB | 30.0 | 33.0 | 36.0 |
Noise Figure | dB | 3.5 | 4.0 | |
P-1dB Compression Point | dBm | 12.0 | 15.0 | |
Output IP3 | dBm | 18.0 | 22.0 | |
Gain flatness | dB | +/-1.5 | +/-2.0 | |
Gain Variation over Temperature Range | dB | +/-1.5 | +/-2.0 | |
Reverse Isolation | dB | 55.0 | ||
Input VSWR | - | 1.8:1 | 2.5:1 | |
Output VSWR | - | 1.8:1 | 2.5:1 | |
Spurious | dBc | -70.0 | ||
Operating Temperature | °C | -40.0 | +75.0 | |
Survival Temperature | °C | -45.0 | +125.0 | |
DC Power Supply Voltage | V | +8.0 | +10.0 | +12.0 |
DC Power Supply Current | mA | 150.0 | 230.0 | 280.0 |
RF In/Out connectors | k-Female | |||
DC Input Connector | Feedthru Pin | |||
Size | inches | 1.50×1.0×0.4 | ||