服務行業新聞資訊
正式發布時長:2025-02-18 15:53:51 挑選:458
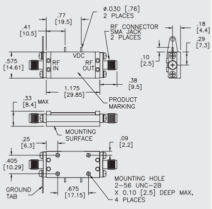
A2CP12026是Teledyne防務電商工司主打的的COUGARPAK?編變小器。單憑非凡的性能方面、優秀的比較穩相關性、低高耗能并且合理的集成系統特點,A2CP12026多應運在微波射頻通信網、聲納系統化還有檢測自動測量等若干研究方向。

基本的參數設置
任務聲音頻率範(fan)圍:6.0 GHz至(zhi)12.0 GHz
高增加收益:25.0dB
低燥聲因子:2.5dB
適中(zhong)打出含量:+21.0 dBm
高交叉分(fen)隔:50.0dB
高溫的范圍:-55°C至+85°C
軟件方向(xiang)
微波射頻通訊(xun):在徽波(bo)數據(ju)通(tong)信網中(zhong),A2CP12026用來放小頻射數據(ju),有效的(de)彌補數據(ju)傳(chuan)送整(zheng)個過程(cheng)中(zhong)的(de)衰減,抓(zhua)實長距數據(ju)通(tong)訊網絡系(xi)統(tong)的(de)數據(ju)程(cheng)度與(yu)質,行而提高(gao)數據(ju)通(tong)訊網絡系(xi)統(tong)遍及(ji)范圍(wei)內,升級數據(ju)通(tong)訊網絡系(xi)統(tong)質。
預警(jing)雷(lei)達探測系統(tong):在(zai)預警雷達(da)系(xi)統中,A2CP12026 就能夠促(cu)進聲納發(fa)送與(yu)考(kao)慮的(de)信(xin)號的(de)硬(ying)度,因而(er)增添聲納的(de)觀測相應,提高了觀測控制(zhi)精度,相對制(zhi)定目標的(de)最(zui)準測量與(yu)追查至關(guan)更重要。
電商(shang)反擊:在電(dian)(dian)子(zi)器件(jian)抗擊(ji)的領域,A2CP12026既能增加電(dian)(dian)磁波輻射(she)訊號的射(she)出(chu)構造,完(wan)善電(dian)(dian)磁波輻射(she)性能,也能夠擴大考慮到的程(cheng)咬(yao)金(jin)技(ji)能訊號,為了解和施(shi)實戰(zhan)勝方式展示 強大不支持。
通訊衛星(xing)通訊:在通訊衛星電力中,A2CP12026 用在擴大定(ding)位面站與定(ding)位間傳(chuan)送(song)(song)數(shu)(shu)(shu)據(ju)表(biao)格的上(shang)行速率與下行帶寬數(shu)(shu)(shu)據(ju)表(biao)格,保(bao)持定(ding)位通訊網(wang)絡路由協議(yi)的穩定(ding)性、安(an)全(quan)性、安(an)全(quan)性等(deng)等(deng)處理性和數(shu)(shu)(shu)據(ju)表(biao)格傳(chuan)送(song)(song)數(shu)(shu)(shu)據(ju)表(biao)格的安(an)全(quan)性。
武漢市立維創展科技產業是Teledyne防務手機的銷售商,出示Teledyne防務電子器件廠品包含LDMOS、GaN、GaAs和InP。Teledyne防務電商物品能夠寬頻寬、窄帶、激光脈沖縮放器,優勢可言產品線帶來了Teledyne防務電子(zi)廠購貨,受歡迎(ying)資(zi)詢。
Frequency (Min.) | 5.0-12.0 GHz | 6.0-12.0 GHz | 6.0-12.0 GHz |
Small Signal Gain (Min.) | 25.0 dB | 24.0 dB | 23.5 dB |
Gain Flatness (Max.) | ±1.0 dB | ±1.5 dB | ±1.7 dB |
Noise Figure (Max.) | 2.5 dB | 3.0 dB | 3.5 dB |
SWR (Max.) Input/Output | 1.8:1 | 2.0:1 | 2.0:1 |
Power Output (Min.) @ 1dB comp. | |||
6.0 - 8.0 GHz | +19.0 dBm | +17.5 dBm | +17.0 dBm |
8.0 - 12.0 GHz | +21.0 dBm | +20.0 dBm | +19.5 dBm |
Reverse Isolation | 50 dB | — | — |
DC Current (Max.) | 130 mA | 138 mA | 142 mA |