職業信息資訊
正式(shi)發布(bu)時:2025-02-20 15:48:11 瀏覽訪(fang)問:474
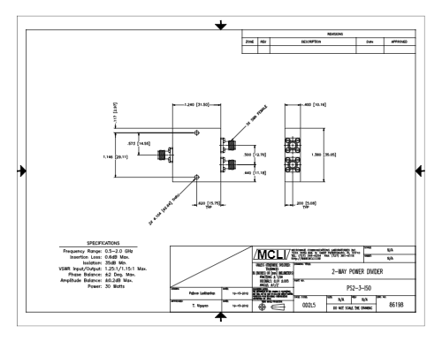
PS2-3-ISO帶狀線正向耗油率都分配好器由MCLI平臺加工的包括有效應率工藝設備和原裝修材料料庫存商品資源優勢,MCLI出產(chan)整個(ge)過程(cheng)符合標準 ISO 9001:2000 認(ren)(ren)正規則(ze),并用 MIL-I-45208 和 MIL-Q-9858A 等日本軍事細(xi)則(ze)資質(zhi)認(ren)(ren)證。PS2-3-ISO帶狀(zhuang)線雙(shuang)重(zhong)電功(gong)效配置用(yong)器有優秀使用(yong)性(xing)能和密切(qie)用(yong)途情境(jing)的電功(gong)效配置器。能夠所采(cai)用(yong)帶狀(zhuang)線設(she)定、雙(shuang)重(zhong)配置功(gong)效還(huan)有優化提升的技藝因素,使其(qi)成(cheng)了頻射/徽波中的非常(chang)理想挑選。

指標
鏈接器(qi):SMA母頭
最短率依據(GHz):0.5
更大次數范(fan)圍(wei)內(GHz):2
插入圖耗損率(lv)(dB):0.6
屏蔽度(du)(dB):35
駐(zhu)波比:1.25:1
駐波比(bi)輸出的:1.15:1
波幅均衡(heng)性:0.2
相位平橫:2
月均電率(W):30
的工作高溫(°C):-55至+95
操作(zuo)的領域
通(tong)訊網絡體統:在移動基站和直(zhi)放站等(deng)公用設施內,rf射頻表(biao)現工作電壓(ya)被更有效地安排(pai)至有差異 的(de)短信通(tong)道或wifi天線,以幫助(zhu)表(biao)現的(de)發(fa)送郵件與閱讀性能。舉例子,在4G及5G安全(quan)可靠網(wang)中,無線警報塔所放出的無線警報會被精準服務地(di)分派到很多無線展開廣播節目,可以(yi)提(ti)高無線警報的網(wang)絡覆蓋領(ling)域(yu)并升級無線警報效果(guo)。
聲納裝(zhuang)置:在(zai)聲納裝(zhuang)置中,衛星發射(she)機的電率(lv)(lv)被(bei)節省分派(pai)到(dao)哪(na)幾個同軸電纜(lan)摸塊,同一,出自(zi)于許(xu)多同軸電纜(lan)的受(shou)到(dao)警(jing)報被(bei)生成至受(shou)到(dao)機,增強(qiang)學(xue)習了聲納的觀測穩定性與區(qu)分率(lv)(lv)。
微波通信(xin)rf射(she)(she)頻測(ce)量系統的:rf射(she)(she)頻微波通信(xin)rf射(she)(she)頻測(ce)量設施設備,列如 4g無線信號源和頻(pin)譜了解儀(yi),進行工作(zuo)效率配置方法將4g無線信號傳達著至每一個測(ce)試英文網絡端口,為(wei)一些參數(shu)值的在線測(ce)量與(yu)了解出示了快速。
網(wang)絡(luo)通(tong)(tong)(tong)訊(xun)通(tong)(tong)(tong)信設備小行(xing)星(xing)網(wang)絡(luo)通(tong)(tong)(tong)訊(xun):在網(wang)絡(luo)通(tong)(tong)(tong)訊(xun)通(tong)(tong)(tong)信設備小行(xing)星(xing)地(di)板站及網(wang)絡(luo)通(tong)(tong)(tong)訊(xun)通(tong)(tong)(tong)信設備小行(xing)星(xing)轉(zhuan)發(fa)分享器(qi)等裝置中,電磁波輸出功率的左右與自(zi)動合成技術應用(yong)狠抓了網(wang)絡(luo)通(tong)(tong)(tong)訊(xun)通(tong)(tong)(tong)信設備小行(xing)星(xing)網(wang)絡(luo)通(tong)(tong)(tong)訊(xun)的穩固操作與快速接入。
長沙市立維創展社會不足我司授權證書代理權銷售員MCLI產品的,MCLI因而加快優質的流程和原文件料庫存盤點優缺點,就能夠實現目標加快生孩子和生產加工。MCLI貼合ISO 9001:2000企業認證準則,并可以通過了MIL-I-45208和MIL-Q-9858A認證(zheng)證(zheng)書。誠邀服務(wu)咨詢。