制造業咨訊
頒布時:2025-03-05 15:30:26 訪問 :429
MASW-011105 是(shi)一個款由 MACOM 大公司生產(chan)的的 GaAs(砷化(hua)鎵(jia))單刀(dao)雙擲(SPDT)頻射按鈕開關。MASW-011105兼具網(wang)(wang)絡帶寬(kuan)特性、低材料耗費、高(gao)隔開度和快捷電(dian)(dian)開關極(ji)限速度等(deng)亮點。采主要用于種高(gao)頻(pin)技術(shu)應(ying)用環(huan)境,如遙感衛星(xing)網(wang)(wang)絡通(tong)(tong)信、5G有(you)線網(wang)(wang)、測(ce)試圖片和檢測(ce)相應(ying)電(dian)(dian)子有(you)線戰和微波(bo)通(tong)(tong)信有(you)線網(wang)(wang)電(dian)(dian)等(deng)。

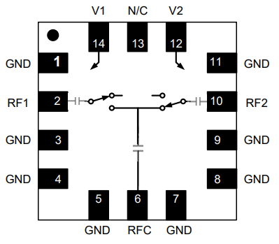
設備形態
的頻率(lv)標準(zhun):17.7 GHz 至 31.0 GHz
放耗費:1.6 dB 至 2 dB
分(fen)隔度:30 dB
電開關時速:12 ns
打包(bao)封裝業務類型:無(wu)鉛 3 mm × 3 mm,14 引腳(jiao) PQFN 從表面(mian)貼裝(zhuang)橡膠(jiao)二極管封裝(zhuang)
工作(zuo)中表面(mian)溫度:-40℃ 至 +85℃
把控電阻值:8.5 V
其它(ta)機(ji)械性能:
P1dB(1 dB 縮小點):24 dBm
IIP3(三階(jie)輸入剪斷點):43 dBm
應用科技領域
定位微波通信:在通訊衛星光纖通信體系中,應該高(gao)效能(neng)的(de)按鈕開(kai)關來切實(shi)保障數字(zi)信號的(de)穩(wen)固輸送和更改(gai)。
5G移動(dong):5G無線網絡(luo)網絡(luo)通信(xin)系(xi)統(tong)性對打開的頻次出(chu)現異常強度(du)和(he)損失(shi)的要求極(ji)低,MASW-011105才可以(yi)符合這(zhe)追求。
測(ce)試(shi)圖片(pian)和精確測(ce)量(T&M):在自(zi)測(ce)和側量(liang)系統中(zhong),要明確的觸點(dian)開關(guan)來調節數字信(xin)號的根目錄和程(cheng)度(du),MASW-011105的性(xing)能高(gao)指標和不穩界定性(xing)使其已成為(wei)抱負選澤。
網上(shang)戰和微波通信無線網電(dian):此類(lei)應用必須要高特點(dian)的(de)觸點(dian)開(kai)關來克服錯綜復雜的(de)電磁(ci)爐區(qu)域環境和數據信息進行(xing)處理市場需求。
河南市立維創展科學管理權限加盟代理MACOM成品線(xian),主要的(de)批發商MACOM的(de)可調(diao)收獲縮放(fang)(fang)器(qi)(qi)(qi)(qi)(qi)(qi),最大(da)功率縮放(fang)(fang)器(qi)(qi)(qi)(qi)(qi)(qi),低噪音(yin)縮放(fang)(fang)器(qi)(qi)(qi)(qi)(qi)(qi),直線(xian)縮放(fang)(fang)器(qi)(qi)(qi)(qi)(qi)(qi),混合型喂養縮放(fang)(fang)器(qi)(qi)(qi)(qi)(qi)(qi),FTTx調(diao)大(da)器(qi)(qi)(qi)(qi)(qi)(qi),遍(bian)布式(shi)調(diao)大(da)器(qi)(qi)(qi)(qi)(qi)(qi),調(diao)大(da)器(qi)(qi)(qi)(qi)(qi)(qi)增益值(zhi)包塊,有源剝離器(qi)(qi)(qi)(qi)(qi)(qi),功分器(qi)(qi)(qi)(qi)(qi)(qi),倍頻器(qi)(qi)(qi)(qi)(qi)(qi),攪拌式(shi)混頻器(qi)(qi)(qi)(qi)(qi)(qi),混頻器(qi)(qi)(qi)(qi)(qi)(qi),上調(diao)頻器(qi)(qi)(qi)(qi)(qi)(qi),號(hao)碼(ma)衰減(jian)器(qi)(qi)(qi)(qi)(qi)(qi),號(hao)碼(ma)移相器(qi)(qi)(qi)(qi)(qi)(qi),馬力產品檢驗器(qi)(qi)(qi)(qi)(qi)(qi),壓控衰減(jian)器(qi)(qi)(qi)(qi)(qi)(qi)等很多種(zhong)半導體行業。如需選購MACOM廠品,請(qing)點擊(ji)率右面客服中心咨詢公(gong)司(si)!!!
Part Number | Package |
MASW-011105-TR0500 | 500 piece reel |
MASW-011105-TR1000 | 1000 piece reel |
MASW-011105-SMB | Sample Board |