產業新聞
發布信息周期:2025-03-11 15:45:39 打(da)開網頁:508
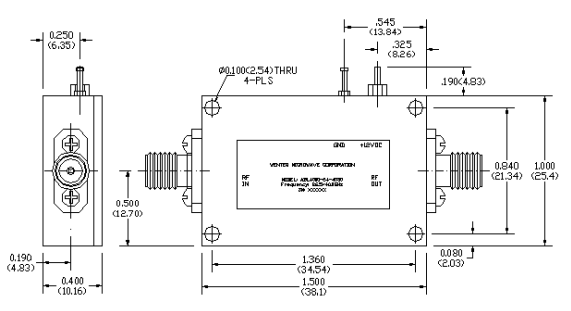
ALN4000-10-3530都是(shi)款(kuan)由(you)WENTEQ Microwave生產(chan)銷售的毫米左右(you)波(bo)低環境噪聲調(diao)小(xiao)器(qi),專(zhuan)為直徑(jing)波頻(pin)段設計。ALN4000-10-3530低噪音污染標準值和(he)(he)高收獲(huo)優(you)點使其已成(cheng)為中頻(pin)微(wei)波通信軟件的(de)(de)中的(de)(de)至關(guan)重要模(mo)塊,可能有用(yong)完善信號燈考慮的(de)(de)靈活度和(he)(he)軟件的(de)(de)的(de)(de)一體化耐磨性。

性能指標
頻帶寬度范圍之內:38 GHz~42 GHz
增益控制:35 dB
低頻噪音常數:3 dB
1 dB 壓縮成點:13 dBm
內容輸出三階交調截點:19 dBm
增益控制平滑度:±1.5 dB
輸人(ren)/輸入 VSWR:2.5:1
逆向分隔:55 dB
業務室溫使用范圍:-40℃~+75℃
隨意調節攝氏度區域:-55℃~+125℃
利用前沿技術
聲納設備(bei):用以亳米波聲(sheng)納的web前(qian)端(duan)訊(xun)號擴(kuo)大,完善偵(zhen)測長度和(he)導致(zhi)精度。
北斗衛星通(tong)訊技術:做收(shou)發機的前置(zhi)條件(jian)調大器,提升數字信(xin)號收(shou)發產品(pin)質量。
5G/6G 通信(xin)設備:不支持mm毫米波頻(pin)段的基站天線和(he)用戶儀器,改善表現重(zhong)疊和(he)互傳生產率(lv)。
測評與衡量:適(shi)用于低頻數(shu)字信號源(yuan)的(de)調大,保證(zheng) 測試儀精(jing)密(mi)度較(jiao)。
南京市立維創展科技創新是WENTEQ的(de)銷售商(shang),重點可以提(ti)供WENTEQ產品(pin)也包括環型器、防曬隔離(li)霜器、電流設備等(deng),產品(pin)原版出口,品(pin)質(zhi)(zhi)擔保,的(de)價格優質(zhi)(zhi),歡迎圖片在(zai)線咨(zi)詢。