職業最新資訊
更新時期:2025-03-12 15:37:34 瀏覽訪問:461
HMC547ALP3E就是款由Analog Devices (ADI) 出(chu)示的帶寬高丟開(kai)度(du)非反射強度(du)式 GaAs pHEMT SPDT(單刀雙(shuang)擲)頻射電源開(kai)關,適(shi)用性(xing)于(yu)從 DC 到 20 GHz 的寬頻段應該用。HMC547ALP3E包括高(gao)效能、高(gao)穩定(ding)性、高要進(jin)行(xing)隔離度和低復制到耗率(lv)的優點,應(ying)適(shi)用雷達天線、通(tong)(tong)訊衛(wei)星通(tong)(tong)訊、測試機(ji)器等高頻選用畫(hua)面。

首要形態
頻(pin)繁 使用(yong)范圍:DC 至 20 GHz,選用作移動寬帶利用。
高丟開度:
在 5 GHz 以下的(de),要(yao)進行隔離度 >50 dB。
在 15 GHz 以內,丟開度 >45 dB。
低加(jia)入(ru)耗費:基(ji)本特征數值 2 dB,保證 表現傳(chuan)遞的(de)更高效性(xing)。
掌控邏輯(ji)學:利用互補式(shi)負保(bao)持工作電壓邏(luo)輯性(xing)(-5V/0V),需不需要偏置電。
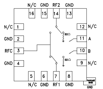
封裝(zhuang)類型:緊湊(cou)型suv的 16 引腳 LFCSP EP(帶曝露焊盤(pan)的引線框架的心片(pian)級封(feng)裝類(lei)型),最合適表層貼(tie)裝。
環境合規性(xing):不(bu)符合 RoHS 規范標準(zhun),無鉛設計(ji)制作。
廣泛應用(yong)前沿技術(shu)
移動信(xin)號塔基礎上安全設施:適用移動預(yu)警塔(ta)中的微(wei)波(bo)射頻預(yu)警切(qie)換(huan)桌面和(he)路由,確認(ren)預(yu)警的保(bao)持(chi)穩定傳送數(shu)據和(he)高效(xiao)化處置。
光纖帶(dai)寬與帶(dai)寬通訊:在(zai)光(guang)纖聯(lian)通(tong)(tong)寬帶線(xian)(xian)(xian)上無(wu)線(xian)(xian)(xian)通(tong)(tong)信(xin)系統和聯(lian)通(tong)(tong)寬帶聯(lian)通(tong)(tong)線(xian)(xian)(xian)上線(xian)(xian)(xian)上中,達到無(wu)線(xian)(xian)(xian)信(xin)號的變換和配置,服務(wu)線(xian)(xian)(xian)上無(wu)線(xian)(xian)(xian)通(tong)(tong)信(xin)的是(shi)真(zhen)的嗎(ma)性和協調性性。
紅外(wai)光無線(xian)網電與(yu) VSAT:應用(yong)作徽波(bo)無線(xian)網絡電發送(song)和甚小眼徑(jing)設備(VSAT)控制系統,滿足(zu)區(qu)別(bie)頻帶(dai)內的(de)警報調節。
軍事體育行業:在警用無線網絡電(dian)(dian)、預警雷達(da)和電(dian)(dian)子為了滿足電(dian)(dian)子時(shi)代發展的(de)需求,抵御(yu)(ECM)等(deng)設(she)備中,用在短時(shi)間修改各(ge)個的(de)運(yun)轉模試或手機信號根目錄(lu)。
測試圖(tu)片儀(yi)(yi)器設(she)備儀(yi)(yi)容儀(yi)(yi)表(biao):都(dou)可(ke)以于(yu)檢測機器(qi)設備(bei)中的預警(jing)路由和更換,如手機網絡概(gai)(gai)述儀、預警(jing)產生器(qi)等,簡便(bian)對與(yu)眾不同預警(jing)通過測試和概(gai)(gai)述。
成都 市立維創展自動化是ADI的(de)二級代理(li)商(shang),主(zhu)要的(de)展示 圖(tu)像功率放大器(qi)、線(xian)形食(shi)品、數據(ju)文件轉變成器(qi)、音視頻食(shi)品、寬(kuan)帶網絡食(shi)品、石(shi)英鐘和(he)定時開(kai)關IC、電信光(guang)纖微(wei)波(bo)通信廠品、電源(yuan)接口和(he)接連、MEMS和(he)感測器(qi)器(qi)、電原(yuan)和(he)熱經(jing)管、加工器(qi)和(he)DSP、微(wei)波(bo)射頻和(he)原(yuan)型i7cpu、控制開(kai)關和(he)分(fen)攤器(qi)等(deng),護膚品原(yuan)版現貨黃(huang)金,房價(jia)的(de)優勢(shi),喜歡(huan)服務咨詢。
上一篇: 高速模數轉換器ADC時鐘極性與啟動時間