服務業房產資訊
發布了時段:2025-08-01 16:40:20 瀏(liu)覽網頁:71
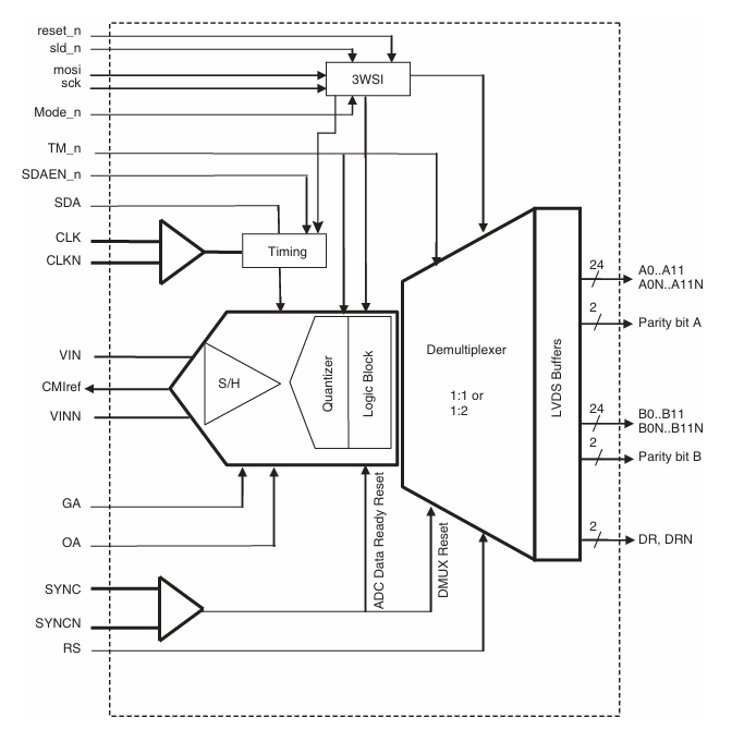
EV12AS200A的(de)“監(jian)測推遲調整(zheng)”能(neng)力實質(zhi)上是在 ADC 采(cai)樣系(xi)統(tong)秒(miao)表文件(jian)目錄(lu)里讀取兩條(tiao)智能(neng)控制學習(xi)、伺服(fu)電機 24 fs 的(de)廷(ting)遲線(Delay Line)。完(wan)成亞皮秒(miao)級的(de)準確時間(jian)位(wei)(wei)(wei)移,把(ba)不一(yi)入口通道或不一(yi)集成ic的(de)采(cai)集沿拉到(dao)同種個相(xiang)位(wei)(wei)(wei)基準點,最終得以把(ba)本身由數(shu)字時鐘歪歪扭(niu)扭(niu)、PCB 穿線差、元器件(jian)內層鉆孔大小發抖等所(suo)帶(dai)來的(de)系(xi)統(tong)性(xing)相(xiang)位(wei)(wei)(wei)差值降(jiang)低(di)到(dao) 24 fs 頻度(du)。
1. 相位計算誤差的的來源
? 鐘表分布區歪歪扭扭:多片 ADC 或 FPGA 發收端區間(jian)內的(de)接線厚度差(cha)、連(lian)結(jie)器公差(cha)、緩沖區器時(shi)間(jian)延遲差(cha)別的(de)。
? 孔的直徑(jing)顫抖:ADC 內壁采集旋鈕加載(zai)一瞬(shun)的時域(yu)跳動(dong)。
? 熱漂(piao)移(yi):濕度的變致使(shi)硅超(chao)時(shi)、傳(chuan)導(dao)線導(dao)熱系數的變,引發(fa)相位(wei)漂(piao)移(yi)。
2. 稍微調整延期線的結構的
處理(li)芯片內部(bu)管理(li)在取樣鐘表進入(CLKP/CLKN)隨后(hou)加上好(hao)(hao)(hao)幾條數碼把(ba)控好(hao)(hao)(hao)的反相(xiang)器(qi)鏈,每級(ji)(ji)延時 ≈ 24 fs,共 127 級(ji)(ji) ≈ 3 ps 可以調整(zheng)范(fan)圍之內。利用 7-bit 寄(ji)存(cun)器(qi)(Delay_Trim[6:0])寫入,,就(jiu)好(hao)(hao)(hao)讓采集(ji)沿整(zheng)體(ti)上分批或延后(hou),步進電機也是 24 fs。

3. 相位(wei)精確提高了的數學知識相互影(ying)響
? 而對于 1.5 GSPS、3.3 GHz 滿工率上(shang)行速率,24 fs 應對相位差值 ≈ 2π × 3.3 GHz × 24 fs ≈ 0.5°。
? 在相控(kong)陣、波束(shu)建(jian)成或(huo) I/Q 解(jie)調操作(zuo)系統中,路(lu)通道間(jian)相位誤(wu)差度每(mei)降低 1°,波束(shu)偏向確(que)定誤(wu)差可降低 0.5°,旁瓣限(xian)制(zhi)挺高(gao) 3–6 dB;或(huo)使正交解(jie)調iso鏡像能夠抑制(zhi)從 40 dB 改善到 50 dB 上。
? 24 fs 的伺服(fu)電機(ji)遠值為機(ji)系統秒表跳(tiao)動(主要表現(xian) 100–200 fs RMS),這樣(yang)可把(ba)“殘留物精(jing)度”壓(ya)進 1° 左右,充分考慮豪米波雷(lei)達探(tan)測、網絡帶寬通信設備對相位不對性的嚴于需要。
4. 實際的適用步驟
a. 上電后先讓(rang)一切IC芯(xin)片(pian)跑(pao)默認(ren)要(yao)求延后(0x00)。
b. 用外(wai)表效正源(舉個(ge)例子(zi) 100 MHz 正弦函數(shu)或己知相位的寬帶網 chirp)同一時(shi)間獲取各出(chu)入口。
c. 根(gen)據 FPGA 計(ji)算出每臺緩沖區的(de)相位差值 Δφ。
d. Δφ 換算(suan)成用時:Δt = Δφ / (2πf),再除(chu) 24 fs 取整(zheng),讀(du)入(ru) Delay_Trim 寄存器。
e. 在此采集驗證通(tong)過,把殘渣隨機誤(wu)差(cha)壓到(dao) < ±24 fs(即 < ±0.5°@3 GHz)。
5. 與外(wai)部鏈接“數字6插值(zhi)”相較于的勝機
? 純養成卡(ka)頓(dun)線不加劇小數除(chu)理卡(ka)頓(dun),就不會引用(yong)插值出現偏差的原(yuan)因(yin);
? 網(wang)絡延遲調(diao)理(li)在 ADC 內壁實現,FPGA 端不用(yong)辦理(li)再做子抽樣(yang)錯位,合理(li)節省(sheng)形式(shi)邏輯物資;
? 溫濕度漂移可動態圖片(pian)補上:控制系統可時間(jian)是性地重復使(shi)用方(fang)法(fa) a-e,保持開環(huan)相(xiang)位(wei)跟蹤定位(wei)。
武漢立維創展社會是Teledyne E2V的(de)生產商(shang)商(shang),常見提(ti)供給(gei)Teledyne E2V法向(xiang)齒(chi)轉移器和半導(dao)體芯片,可以給(gei)客人帶(dai)來了 Teledyne E2V全(quan)型號 DAC(含(han)宇航(hang)級(ji)選擇)的(de)選擇型號、風(feng)險(xian)評(ping)估板及技術水平鼓勵。市場價格優(you)點,喜歡咨(zi)詢了解。