互聯網行業咨詢
發部的時間:2025-03-13 16:00:54 打開(kai)網頁:452
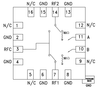
HMC347ALP3E是Analog Devices(ADI)總部專注著力打造的是一款移動寬帶、高隔離度的非反射強度型GaAs pHEMT SPDT(單刀雙擲)開關按鈕。HMC347ALP3E它主要是匠心的電器功能、優異的屏避效果、高的穩定性、耐造性各類高功能的表現,在大量中頻利用景象中揚長避短。其寬帶網絡功能、高防護隔離度和越來越低的放進去損耗率,因此HMC347ALP3E稱得上微波射頻射頻和微波射頻裝置中切勿或缺的優享插件。
其主要特質
頻繁(fan)依據:DC 至 14 GHz,選采用移動(dong)寬帶(dai)運用。
高防曬隔離(li)霜度:>54 dB @ 3 GHz;>44 dB @ 10 GHz。
低加入(ru)損耗費(fei):1.8 dB @ 10 GHz,確認信息傳導的科學規范性(xing)。
非射線設(she)計的:下(xia)降警報射線,不斷提(ti)高系(xi)統化效果(guo)。
打(da)包(bao)封裝:采用(yong)了 3x3 mm QFN 表(biao)貼(tie)二極(ji)管封裝,可(ke)以(yi)高(gao)體積 PCB 設計制(zhi)作。

電力電氣屬性
保(bao)持電(dian)阻(zu):進行(xing) -5/0V 的(de)互補性負管理額定電(dian)壓(ya)形(xing)式邏輯,不同附加(jia)偏(pian)置電(dian)源開關。
運轉(zhuan)電壓:低至(zhi) DC,耗電量非常低。
軟件教育領域
移(yi)動手機信號塔(ta)基礎(chu)性公共(gong)設施:用到手機信號更換和路由。
光仟和網絡帶寬中國移動:鼓勵中頻衛(wei)星(xing)信號加工處理。
紅外光有線電和(he) VSAT:適(shi)于(yu)于(yu)通信(xin)設備(bei)衛星(xing)通信(xin)設備(bei)和(he)微(wei)波加(jia)熱傳輸(shu)數(shu)據。
警(jing)用wifi電、預(yu)警(jing)雷達和ECM:夠滿足高靠(kao)譜性和高功效消費需求。
檢(jian)測(ce)檢(jian)測(ce)設備義表:使(shi)用于(yu)中頻檢(jian)測(ce)和測(ce)試。
廣州 市立維創展科技開發是ADI的代銷商,重要提高放小(xiao)器(qi)、平滑品(pin)牌(pai)、數值互轉器(qi)、音頻視頻圖片(pian)品(pin)牌(pai)、光纖寬帶品(pin)牌(pai)、鬧(nao)鐘和(he)訂時(shi)IC、光釬通訊車輛(liang)、接口類型和(he)相(xiang)隔(ge)、MEMS和(he)感應(ying)器(qi)器(qi)、外接電(dian)源和(he)熱(re)經(jing)管、治療器(qi)和(he)DSP、微波射頻和(he)圖像補救器(qi)、旋(xuan)鈕和(he)左右器(qi)等,軟件正品(pin)現貨交易(yi),價格(ge)多(duo)少其優勢,邀請咨詢公(gong)司。