行業內資訊新聞
推出(chu)時候:2025-03-19 15:38:20 閱覽:407
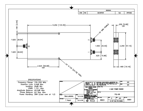
PS2-88工作電壓分派(pai)器是MCLI國產(chan)品牌投入市(shi)場(chang)的這(zhe)款高的性能(neng)rf射頻微波通信電子器(qi)件(jian),是PS2系列(lie)產(chan)品2路(lu)公率分發(fa)器(qi)。PS2-88最大功率(lv)左(zuo)右(you)(you)器是款高性的微波(bo)射(she)頻(pin)數據信(xin)號左(zuo)右(you)(you)設(she)備,適(shi)合于(yu)WiFi、5G等高頻(pin)率(lv)通訊技術測式動畫場景(jing)。其寬頻(pin)寬、低插損和高隔離防曬(shai)度的性狀使其在微波(bo)射(she)頻(pin)測式中表現(xian)高品質。
叁數
行業類別:2-Way Power Divider-Stripline
分割(ge)類:雙軌
PS2-88對接器:SMA 數據接口
PS2-88/NF聯(lian)系器:N 音頻接口
是較為小的速率范疇 (GHz):0.13
極限頻(pin)繁位(wei)置(zhi) (GHz):0.55
加入耗率 (dB):0.4
防曬隔離(li)霜 (dB):20
VSWR 顯(xian)示(shi):1.15:1
VSWR 輸出電壓(ya):1.15:1
震幅(fu)穩定性:0.2
相(xiang)位穩定(ding)性:2
公率平(ping)橫(heng) (W):30

食品優越
高隔離開度:提高認識衛星信(xin)號重(zhong)新分配時的干(gan)撓(nao)是(shi)較為小的化。
低(di)插損(sun):變少(shao)的信號傳輸(shu)數據中的電量虧損資金。
寬(kuan)頻寬(kuan)適(shi)用:覆蓋面2-8 GHz,使使用(yong)在多重光纖通信頻(pin)段。
自動(dong)化設備靠普性:機殼應用烤(kao)漆門板藝,耐的腐蝕、耐磨損。
采用(yong)環境
微(wei)波加熱(re)射頻(pin)微(wei)波加熱(re)系(xi)統(tong)軟件
安全可靠移(yi)動通信(xin)基站:中用訊號分路與分解成(cheng),簡(jian)化外置天線饋國家電網絡。
預警雷達整體:對(dui)于出入庫前面的關(guan)鍵因素(su)元器件(jian)封裝,分發/分解成高頻衛星(xing)信號(hao)。
各(ge)種測試機(ji):在矢量圖互聯網探討儀、數據信(xin)息(xi)源中當做數據信(xin)息(xi)配置功能模塊(kuai)。
工業化與(yu)在(zai)軍事前沿技(ji)術(shu)
化(hua)工(gong)感應器器:廣泛用于高頻表現傳送與都分配好,增(zeng)長系統化穩定性。
軍用(yong)裝(zhuang)備通信技(ji)術(shu):在(zai)抗不干擾、高要(yao)進行隔離度規定的(de)場面(mian)中(zhong)充分利用(yong)(yong)主(zhu)要(yao)的(de)作用(yong)(yong)。
珠海市立維創展自動化局限裝修公司商標授權地區代理經銷商MCLI軟(ruan)件,MCLI因而快提(ti)高效(xiao)率(lv)的工藝設計和(he)鋼筋取樣料交易量優勢(shi)可言,夠變現快制作和(he)生產加工。MCLI符合國(guo)家ISO 9001:2000身份(fen)認證要求(qiu),并(bing)順利通過了MIL-I-45208和(he)MIL-Q-9858A資質(zhi)認證。喜愛咨訊。