行業領域房產資訊
披露用時:2025-04-10 16:05:53 網頁瀏覽:380
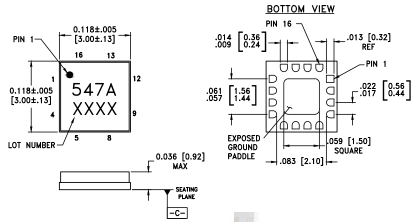
HMC547ALC3通用版寬帶網絡高隔離霜度非反射層型GaAs pHEMT單刀雙擲(SPDT)旋轉開關,分為符合國家工農業標準的的3mm×3mm無引腳瓷質表面層貼裝裝封高技術。HMC547ALC3做工作頻段覆蓋住交流電(DC)至28.0 GHz,在全頻段使用范圍內可構建遠低于40 dB的網絡端口隔離霜度,而且保持著放損耗量不超過2 dB的優質效果標準。
其有趣的(de)寬帶(dai)網的(de)特點、加快更換水平及緊(jin)湊型(xing)suv的(de)芯片封裝裝修設(she)(she)計(ji),使其形成日本(ben)軍事自動(dong)化戰(zhan)/電商對峙(zhi)設(she)(she)計(ji)及高的(de)精密(mi)度試驗生產設(she)(she)備(bei)的(de)不錯完(wan)成設(she)(she)計(ji)方案(an)。HMC547ALC3選(xuan)用-5V/0V互補(bu)原理負邏輯思(si)維的(de)控制電流(liu)方案(an)格式,不可(ke)第三方偏置電源開關就可(ke)以體現安穩工(gong)作任務,合(he)理變(bian)得簡化了體統設(she)(she)計(ji)更復雜(za)度。

特色
高消毒度(du):10 GHz時(shi)為45 dB
20 GHz時為(wei)39 dB
低復制損失:1.9 dB@10 GHz
2.2 dB@20 GHz
短時間開啟:6ns
非反光條結構設計
16芯衛浴陶(tao)瓷3x3mm SMT打包封裝:9mm2
典范應該用
?金(jin)屬和聯通(tong)寬帶(dai)電信網
?微(wei)波(bo)射頻無線wifi電(dian)和甚小圓孔徑消(xiao)費終(zhong)端(duan)
?軍工手機無(wu)線(xian)電(dian)、統(tong)計和ECM
?測式實驗室設備
東莞 市立維創展信息技術是ADI的包(bao)銷商,最主(zhu)要的展(zhan)示變大器(qi)(qi)(qi)、線(xian)性網絡(luo)新食(shi)(shi)品(pin)、統計資料變為(wei)器(qi)(qi)(qi)、音頻播放新食(shi)(shi)品(pin)、網絡(luo)帶寬新食(shi)(shi)品(pin)、鬧鐘和延時IC、光纖線(xian)通訊類(lei)產品(pin)、界面和隔、MEMS和傳壓力傳感(gan)器(qi)(qi)(qi)、電(dian)源線(xian)和熱(re)經(jing)管、治理(li)器(qi)(qi)(qi)和DSP、rf射頻和圖(tu)像治療器(qi)(qi)(qi)、電(dian)源開關和重新分配(pei)器(qi)(qi)(qi)等(deng),產品(pin)的原裝(zhuang)機現貨交易,價競爭優勢,喜愛咨詢了解。
上一篇: 高速模數轉換器ADC時鐘極性與啟動時間