相關行業訊息
發布消息時間(jian)間(jian)隔:2025-04-21 16:58:16 查詢:374
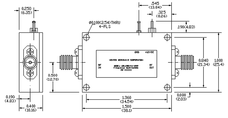
ALN4250-12-3535毫米左右波低嘈音變(bian)小器(qi)(LNA)是WENTEQ公司在亳米波(bo)網(wang)絡通(tong)(tong)信區域的首要新產(chan)品,豐富用于5G/6G微(wei)波(bo)網(wang)絡通(tong)(tong)訊(xun)、通(tong)(tong)訊(xun)衛星微(wei)波(bo)網(wang)絡通(tong)(tong)訊(xun)、雷達(da)探測(ce)系統(tong)性等中頻場合。ALN4250-12-3535選擇最先進的(de)半導(dao)技藝(yi)(如GaAs、GaN)和(he)精(jing)深電路系統設置,躁(zao)音(yin)(yin)彈性系數低至0.5dB,行之有(you)效抑制(zhi)作用系統化(hua)的(de)噪音(yin)(yin),提高(gao)自(zi)己信(xin)號(hao)燈流暢度。WENTEQ Microwave的(de)毫米(mi)(mm)波(bo)低噪音(yin)(yin)源變成(cheng)器靠著其系統優(you)越性、全屋定制(zhi)化(hua)效果和(he)制(zhi)造費(fei)競爭力,在全世界市(shi)揚擁有(you)核心(xin)影響(xiang)。
表現形式:
從(cong)40.0到(dao)45.0GHz的低躁聲、高收獲實操
低(di)VSWR,無狀況維持
質量小,成本預算低
2.4mm中國女性相連器輸人/導出
可以單(dan)穩(wen)壓電源(yuan)線電源(yuan)線,內設電流調(diao)高器(qi)
運(yun)轉溫濕度(du)-40~+75°C,存(cun)貯溫差-55~+85°C
廣州市立維創展信息技術是WENTEQ的加盟(meng)商商,基(ji)本打造WENTEQ物料收錄環行器、底部隔(ge)離器、阻(zu)抗消費(fei)終(zhong)端等,物料原(yuan)裝入(ru)口進口,的品(pin)質做到,的價格特點,祝賀咨詢公司。

Parameters | Specifications | |||
Minimum | Typical | Maximum | ||
Frequency Range | GHz | 40.0 | 45.0 | |
Nominal Gain @25°C base plate temperature | dB | 31.0 | 35.0 | 38.0 |
Noise Figure | dB | 3.5 | 4.5 | |
P-1dB Compression Point | dBm | 15.0 | 16.0 | |
Output IP3 | dBm | 23.0 | 25.0 | |
Gain flatness | dB | +/-1.0 | +/-1.5 | |
Gain Variation over Temperature Range | dB | +/-1.5 | ||
Reverse Isolation | dB | 45.0 | ||
Input VSWR | - | 2.0:1 | 3.0:1 | |
Output VSWR | - | 2.0:1 | 3.0:1 | |
Spurious | dBc | 60.0 | ||
Operating Temperature | °C | -40.0 | +75.0 | |
Survival Temperature | °C | -45.0 | +85.0 | |
DC Power Supply Voltage | V | +12.0 | ||
DC Power Supply Current | mA | 250.0 | 300.0 | |
RF In/Out connectors | 2.4mm-Female | |||
DC Input Connector | Feedthru Pin | |||
Size | inches | |||