制造行業新聞咨詢
公(gong)布的時(shi)間間隔:2025-04-28 16:35:21 打(da)開網頁(ye):437
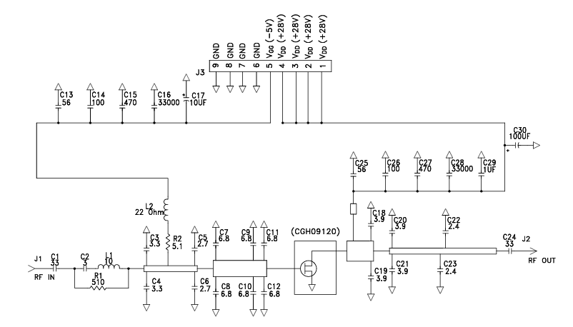
CGH09120F也(ye)是款(kuan)由 Wolfspeed(原CREE科銳)大公(gong)司產出的(de)高(gao)電(dian)子廠滲透率結晶(jing)管(HEMT),選(xuan)擇氮化(hua)鎵(GaN)技術水平(ping),具備高(gao)質量率、高(gao)增(zeng)益控制和寬帶(dai)網學習能力,可(ke)以支(zhi)持(chi)寬帶網警報處里(li),特別的(de)滿足是需要的(de)動態的(de)頻率調正(zheng)的(de)系統的(de)。

其主(zhu)要特點(dian)
次(ci)數(shu)面(mian)積(ji):UHF 至 2.5 GHz。
所在(zai)所在(zai):120 瓦。
增(zeng)加收益:21 聲音分貝(bei)。
的工(gong)作電阻值:28 V。
封口(kou)主要(yao)形式:淘瓷(ci)/廢金屬活套法蘭封口。
效應:在(zai) 20 W PAVE 時限率是 35%。
運用勝機:可以支持較高數子預偏色(DPD)測量。
工(gong)藝(yi)做(zuo)對比與優勢可言(yan)
運作 | CGH09120F | 硅基(ji)LDMOS | 自己的名字(zi) |
速度最大值(zhi) | 2.5 GHz | 往(wang)往(wang)<1 GHz | GaN在高頻率下吸收率越(yue)來越(yue)高 |
功效黏(nian)度 | 4.3 W/mm2 | 約1 W/mm2 | 比較合適省油(you)的suv型設(she)置 |
生(sheng)產率(PAVE) | 35% | 20%~25% | 偏態大大減(jian)少(shao)系統工作電壓 |
導熱系數 | 1.2°C/W | 2.5°C/W | 良好的(de)水冷(leng)的(de)能力 |
應用領域
無限(xian)光纖通信(xin)信(xin)號塔(ta)天(tian)線
成(cheng)(cheng)為 LTE、WCDMA 或 MC-GSM 數據信息塔(ta)輸(shu)出圖(tu)像電壓拖動器的(de)管(guan)理(li)的(de)本質集成(cheng)(cheng)電路芯片,可以提供高效性率、高線(xian)形的(de)rf射(she)頻數據信息圖(tu)像拖動,有效降低數據信息塔(ta)萬元產值能耗與(yu)運(yun)營(ying)服務人工成(cheng)(cheng)本。
支持于多載波聚合物(CA)情況,經(jing)過 DPD 技術升級多載波無線信號的規則化度。
統計與網絡戰控制系統
在統(tong)計衛星(xing)發射機中實行網(wang)絡帶寬走(zou)勢的(de)效率高(gao)放小(xiao),適配(pei)提區分(fen)率激光(guang)散斑(ban)與關鍵發現。
適用以于網(wang)上戰中的干(gan)預(yu)機,用高(gao)電功率、移動寬帶寬基本(ben)特征保(bao)證有效地的網(wang)絡信號制作。
小行星通信設備與徽波發送
在(zai) Ka 頻段或 Ku 頻段通訊衛星流(liu)量消費終(zhong)端中,算作最大效率變大電(dian)子元(yuan)件,展示 安全穩定的4g信(xin)號增(zeng)益值(zhi)與讀取最大效率。
實采(cai)用(yong)紅(hong)外光傳回線路,適用(yong)長高度、高存儲量的信息發送。
廣州市立維創展科技創新是CREE的經(jing)銷處商(shang),CREE品(pin)牌(pai)服(fu)務以及:LED基(ji)帶芯片、采光(guang)LED、背(bei)光(guang)LED、電源模塊啟閉控制系統、微波射(she)頻儀器用LED和(he)有(you)線電產(chan)品(pin)。中鐵二院借助其(qi)優越性的廠家(jia)直銷營銷渠(qu)道,享有(you)暫時(shi)的貨源以具備(bei)我國(guo)市揚(yang)的標準。青睞咨詢公司。