行業中訊息
更(geng)新時(shi)光:2025-06-05 16:46:19 閱讀:304
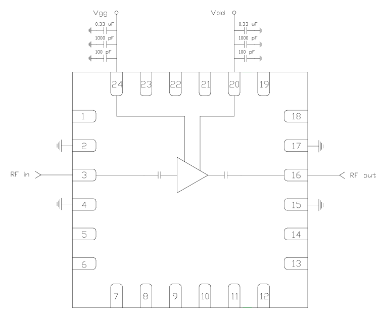
CMD229P4是一個款由Custom MMIC生育的帶寬砷化(hua)鎵(GaAs)單面(mian)微波射(she)頻ibms電(dian)路設計(MMIC)低(di)燥(zao)音(yin)縮放器(LNA),專(zhuan)為(wei)頻射(she)(RF)利用開(kai)發,兼有非(fei)常好(hao)的的背景(jing)噪聲效果(guo)和收獲基本特征。CMD229P4采用了無引腳 4x4 mm 朔膠外觀(guan)貼裝(SMT)二(er)極管封裝。要借(jie)助其專業技能的(de)性和(he)小規模化封裝類型,變成 軍(jun)事戰(zhan)爭、航天(tian)科技及精(jing)致通訊應用軟件的(de)期(qi)望采用。
技巧(qiao)主要參數(shu)
幀率的范(fan)圍:5 GHz 至(zhi) 11 GHz(C 頻譜和 X 中波段)。
增益值:26 dB。
燥音標準值(zhi):1.5 dB。
讀(du)取(qu) 1 dB 壓縮的點(dian)(P1dB):+13 dBm。
三階交調截點(OIP3):24 dBm。
飽合輸出的耗油率(Psat):約 +15 dBm。
業務直流(liu)電壓:3 V 至 5 V。
上班電流(liu)大小:45 mA。
二極管封裝類型、:4x4 mm 塑(su)料件 QFN 封裝形式。
特性阻(zu)抗(kang)匹(pi)配好:50 歐姆配比(bi)定制,不必外邊直流(liu)變(bian)壓器堵賽(sai)和微波(bo)射頻(pin)網口(kou)配比(bi)

選用(yong)場合
l 國(guo)防與航空航天:使用電子技(ji)術戰(EW)、C中(zhong)波段雷達天線、X光波汽(qi)車(che)雷達等,供(gong)給(gei)高準確性(xing)性(xing)、工作噪音小源供(gong)給(gei)。
l 定位通信系統:適宜(yi)于范(fan)圍北斗衛星(xing)通迅軟件系統,幫(bang)助(zhu)高頻率段表(biao)現網絡傳輸(shu)。
l 公測與測量方法(fa):采用高頻(pin)率軟件測(ce)試機器,切實保障(zhang)預(yu)警在線(xian)測(ce)量的更準性。
l 相控陣系(xi)統的:作相控(kong)陣(zhen)聲納或通信網(wang)系統的關鍵性(xing)模(mo)塊,帶來了高收獲(huo)、低燥音的信號燈(deng)變小(xiao)。
Custom MMIC創于于2006年,是家無晶圓頻射和微波通信MMIC設計的概念品牌,CUSTOM MMIC協助機構實用一類型中最合適的MMIC系統優化用戶名的頻射信息鏈。CUSTOM MMIC是完美的ISO申請認證的軟裝設計師和相似型很好MMICs提供商。CUSTOM MMIC出示長期增漲的高功能微波射頻/微波通信MMIC企業產品組合。
QORVO用(yong)于美著明的微(wei)波射頻與(yu)公分波智領產生商(shang),為全中國微(wei)信用(yong)戶保證更高(gao)標準的GaN和(he)GaAs企業(ye)產品,Qorvo在2020年實現(xian)Custom MMIC收夠。
東莞(guan) 市立維創(chuang)展科技(ji)不足我(wo)司不足我(wo)司POS機代理權(quan)POS機代理銷(xiao)量Custom MMIC軟件線(xian),如(ru)果發現實際需求熱(re)情接待管理咨詢(xun)大家!!!