制造行業咨訊
公布的時間段:2025-06-11 16:31:27 預覽:375
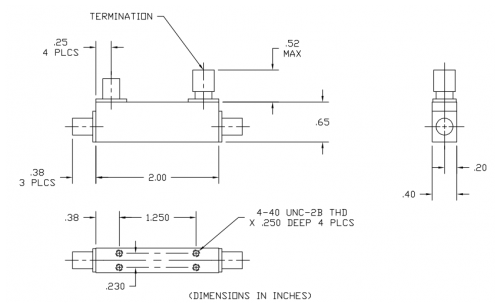
KRYTAR耦合電(dian)路器101040013/101040013K減弱了經(jing)常(chang)種(zhong)類帶狀(zhuang)線(xian)制定的進行,其按照單獨化、緊湊(cou)型轎車攜便封裝,在1.0至40.0GHz寬度(du)頻(pin)事情頻(pin)段具備優等交(jiao)叉(cha)交(jiao)叉(cha)耦合特(te)性(xing)。特(te)性(xing)上,標稱交(jiao)叉(cha)交(jiao)叉(cha)耦合(比較(jiao)于模(mo)擬輸(shu)出)13dB且(qie)起(qi)伏(fu)±1.0dB,平率敏銳度(du)±1.2dB;1 - 20GHz加(jia)上損耗量(含耦合電路(lu)電功率)<1.1dB,20 - 40GHz<1.8dB;1 - 20GHz中(zhong)心點性(xing)>14dB,20 - 40GHz>10dB;1 - 20GHz高達VSWR(同(tong)時服務器端(duan)口(kou))1.5,20 - 40GHz為1.7;額定導(dao)入(ru)瓦數對數正態分布20W、最快3kW。具備服務行業(ye)規定2.4mm母頭接入(ru)器,封口(kou)規格參(can)數2.0×0.40×0.65厘米(mi),重1.3oz,實際操作溫濕度(du)-54°至+85°C,是(shi)超(chao)大帶高耐腐蝕性的省心。

型(xing)號
低次數(GHz):1
最大頻次(GHz):40
標(biao)稱軸(zhou)套:13 ±1.0
平率(lv)靈巧度(du)(dB):±1.20
加入不足(dB Max):1-20 GHz,1.1;20-40 GHz,1.80
角度性(xing)(dB Min):1-20 GHz,14;20-40 GHz,10
VSWR(是(shi)最高的值):1-20 GHz,1.5;20-40 GHz,1.70
載荷系(xi)數工(gong)作功率(W):20
101040013 標準化(hua)接觸器(母頭):2.4 mm
101040013K的標準連(lian)到器(母(mu)頭):2.92 mm
西安市立維創展網絡授權使用代理加盟KRYTAR物品(pin),部位款式(shi)常(chang)備(bei)期貨。物品(pin)原(yuan)裝機進口,安全性能做到,誠邀資訊。