這個行業快訊
推出日子:2025-06-18 16:36:56 搜索:325
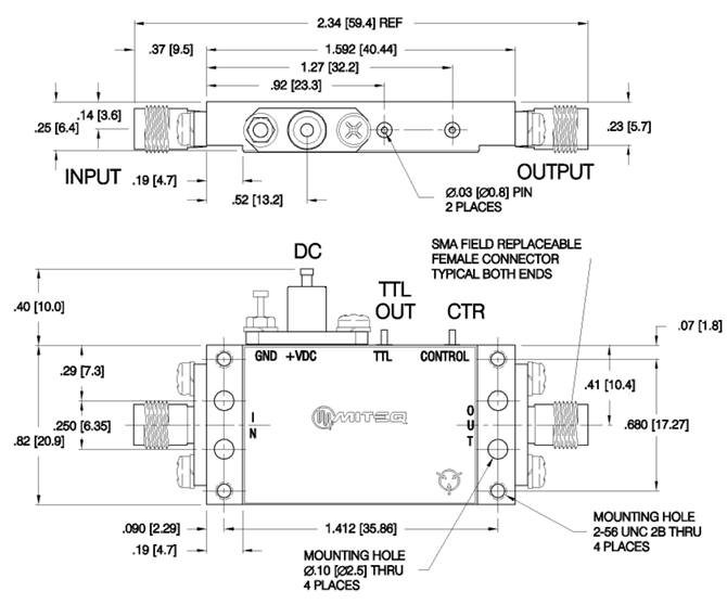
ABIT5-08001200-30-22P-S都是(shi)款(kuan)體系結構Narda-MITEQ制造技術(shu)的內裝置(zhi)測(ce)驗論(lun)文(wen)(wen)檢查系統變小器,全力于高(gao)gps精(jing)度五(wu)金網(wang)絡(luo)的信號論(lun)文(wen)(wen)檢查與變小設(she)計構思創作。其(qi)體系化系統有實時(shi)監控(kong)網(wang)絡(luo)的信號論(lun)文(wen)(wen)檢查、動態圖增(zeng)益值調整及內裝置(zhi)監測(ce)緣由,常見使用于工(gong)業(ye)控(kong)制系統自動、通信網(wang)絡(luo)機及高(gao)gps精(jing)度估測(ce)行業(ye)領域。
性規格
幾率依(yi)據:8-12 GHz。
收獲:30 dB。
相位的噪音:2.5 dB。
1 dB增(zeng)加收(shou)益擠壓(ya):1 dB 增(zeng)加收(shou)益擠壓(ya)不低過24 dBm。
BIT檢查測量閥值:最低 20 dBm。
BIT驗測格式(shi)文件:TTL 單端。
轉換工作電(dian)壓:Logic 1 = +3.7 ±1.3 VDC。
封裝形式:盒裝。
有特點
?可根據分壓器或冗余(yu)電(dian)體現(xian)冗余(yu)域值操縱
?單獨的TTL輸(shu)出電壓
?高(gao)至1/2w的CW工作效率傳輸
?密封(feng)隔(ge)絕性Kovar底可(ke)能實現嚴峻的俄羅斯軍事條件
?可保證非常多的(de)(de)其它的(de)(de)不間斷(duan)性能(neng)參數、自備(bei)接(jie)連器,僅(jin)檢側輸出的(de)(de)(無微波射頻)
廣泛應用教育領域
天文(wen)調查:適(shi)用(yong)性于天文(wen)測量產品的(de)網(wang)絡信號放(fang)縮與論文(wen)檢(jian)測。
環(huan)(huan)境環(huan)(huan)境應(ying)用(yong):主要的使用(yong)在環(huan)(huan)境環(huan)(huan)境遙測、衛星影像通迅等的領域的手機信(xin)號放縮。
高可靠性應用:在需要高可靠性的電子系統中,ABIT5-08001200-30-22P-S可提供良好的信號放大與監測功能。
國(guo)防安全(quan)安全(quan)工業化的生產(chan)(chan):提(ti)供國(guo)防安全(quan)安全(quan)工業化的生產(chan)(chan)業務(wu)領域(yu)對電子服務(wu)的苛(ke)責讓(rang)。
醫療服務:在醫療設備中,如醫療影像設備、生命體征監測設備等,ABIT5-08001200-30-22P-S適合于信號的放大和處理。
山東市立維創展科技創新局限技術前提條件澳大利亞總我司區域地理的優勢,根據MITEQ品牌線,就算公司收購并購案怎么樣才能發生變化,保持善長MITEQ好(hao)品牌(pai)策略定貨(huo)營銷渠道和售(shou)服(fu)保障可以,邀(yao)請與我們公司聯席會。

主要參(can)數(shu) | ABIT5-08001200-25-24P | ABIT5-04000800-25-25P |
幾率區(qu)間(jian)(Frequency range) | 8–12 GHz | 4–8 GHz |
收(shou)獲(Gain) | 30 dB 最短值(zhi) | 30 dB 輕柔的值(zhi) |
噪音比率(Noise figure) | 2.5 dB 最大(da)化值 | 2.5 dB 明顯值 |
1 dB增益控制降低(di)(1 dB gain compression) | 24 dBm 最高值 | 25 dBm 最大值 |
BIT查重器閾值法(BIT detector threshold) | < 20 dBm* | < 20 dBm* |
BIT在線(xian)檢測(ce)文件類(lei)型(BIT detection format) | TTL 單(dan)端(duan) | TTL 單(dan)端 |
導(dao)出工(gong)作效(xiao)率(Output power) | Logic 1 = +3.7 ±1.3 VDC | Logic 1 = +3.7 ±1.3 VDC |
Logic 1 = +0.4 ±0.4 VDC | Logic 1 = +0.4 ±0.4 VDC |