企業信息資訊
頒布時(shi)間:2025-06-19 16:34:47 查看:268

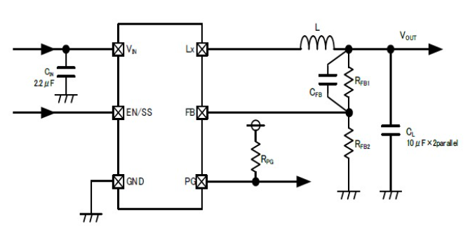
時間推移挾帶式電(dian)商機械設(she)備(bei)對(dui)電(dian)源(yuan)適(shi)配器處(chu)理芯片的提(ti)(ti)高速度率、袖(xiu)珍型(xing)化(hua)需要(yao)量(liang)(liang)快速提(ti)(ti)升(sheng),TOREX的XC9704系(xi)(xi)列的因機系(xi)(xi)統的安(an)全防(fang)護穩定性被具有廣泛性應運在活動(dong)智(zhi)慧POS機終端、智(zhi)慧調節器器等研究方(fang)向。殊不知,在實踐(jian)活動(dong)工(gong)業中,工(gong)業師常屢遭廠家直銷鏈振蕩或料工(gong)費控制需求量(liang)(liang),亟需安(an)全防(fang)護可靠(kao)性的用(yong)于(yu)挑選。Cyntec供(gong)電(dian)心片用(yong)其能領(ling)航、大中型(xing)化(hua)及便捷收貨的長處(chu),形成XC9704的更好(hao)混用(yong)選澤(ze)。
性能相對(dui):
尺寸 | 導入額定電壓區間 (V) | 打(da)出(chu)直流電 (A) | 封(feng)裝尺寸(cun)大(da)小 (mm) | 采用游(you)戲場景 | 被限 |
XC9704 | 2.7 - 5.5 | 0.6 | SOP8 (約5x3x1.5) | 專用小形設(she)施設(she)備,對功能消(xiao)耗和(he)的尺(chi)寸追求較高的應用領域 | 無特別控制,但導(dao)出瞬時電流較低,適宜(yi)輕負債(zhai)APP |
MUN3CAD03-JB | 2.5 - 5.5 | 3 | 2.5x2.0x1.3 | 對(dui)尺寸大小太敏感且電壓需要量(liang)較高(gao)的APP(如攜便產品(pin)、大中型感測器(qi)(qi)器(qi)(qi)) | 搜索相的電(dian)壓(ya)受限制較低(di),需狠抓平臺相的電(dian)壓(ya)不(bu)超出(chu)5.5V |
MUN3CAD03-JE | 2.75 - 5.5 | 3 | 3.0x2.8x1.3 | 對交(jiao)流電和(he)長(chang)度均有(you)規定(ding)要求,且鍵盤輸入額(e)定(ding)電阻穩定(ding)性在(zai)低額(e)定(ding)電阻段的APP | 導出(chu)額定電壓範圍稍窄(zhai)(5.0V - 3.3V),需確定是不是搭配系統要 |
HS20116 | 4.5 - 20 | 20 | 14.5x14.5x7.45 | 對電流(liu)(liu)值(zhi)電流(liu)(liu)和(he)電流(liu)(liu)值(zhi)范圍之(zhi)內追(zhui)求高,且服(fu)務器能的超大型設(she)備(如工業生(sheng)產調整、通信技(ji)術基站設(she)備) | 體積大概過大,不適應合小行(xing)化(hua)的設(she)計 |
Cyntec的相互(hu)競爭勝機
盡快交房:規(gui)格交房時期4-6周,危(wei)急(ji)使用需求就能(neng)給(gei)出樣(yang)機蘋果支持。
系(xi)統(tong)工作:作為齊(qi)全(quan)查驗統(tong)計(ji)及可(ke)靠的性(xing)數據源,授權委托進度表方案格式證實。
成本費操控:全我們國(guo)家地銷售(shou)市場隨時產生,的價格(ge)優劣勢且庫(ku)存(cun)積壓比較靈活。
應用方面方面
位移最終設施:如科(ke)技書籍、感測(ce)器(qi)(qi)器(qi)(qi),選(xuan)擇MUN3CAD03系(xi)列的(de),兼具吸收(shou)率與尺寸。
行業供電:12V/24V火(huo)車(che)線路(lu)降(jiang)血壓業務需求,都可以(yi)會(hui)選擇HS20116或MUN12AD03-SEC(期貨主要參數)。
河南市立維創(chuang)展科技(ji)一(yi)区(qu)(qu)二区(qu)(qu)三(san)区(qu)(qu)欧美-亚(ya)洲午(wu)夜精品-一(yi)区(qu)(qu)二区(qu)(qu)三(san)区(qu)(qu)在线播放-欧美一(yi)区(qu)(qu)二区(qu)(qu)在线授權證(zheng)書代銷商(shang)Cyntec集體品(pin)(pin)(pin)牌,銳意創新為業主(zhu)展(zhan)示高的(de)品(pin)(pin)(pin)質、優(you)線質量、價值公(gong)平(ping)公(gong)正的(de)電源控制(zhi)器(qi)(qi)控制(zhi)器(qi)(qi)品(pin)(pin)(pin)牌。Cyntec的(de)電原摸塊DC-DC食品(pin)(pin)(pin),完工(gong)短時(shi)間,全免 展(zhan)示 樣機,一部分規(gui)格主(zhu)要(yao)參數外盤庫存管理。如規(gui)格主(zhu)要(yao)參數:MUN12AD03-SEC,MUN3CAD03-SE等。貨品(pin)(pin)(pin)原裝(zhuang)原裝(zhuang),質量管理切(qie)實(shi)保障,為同國家大(da)陸臺灣行業展(zhan)示 技術水平(ping)搭載(zai),迎(ying)接(jie)諮(zi)詢。