相關行業新聞咨詢
公布的準確時間:2025-07-18 16:27:21 打開(kai)網(wang)頁:142
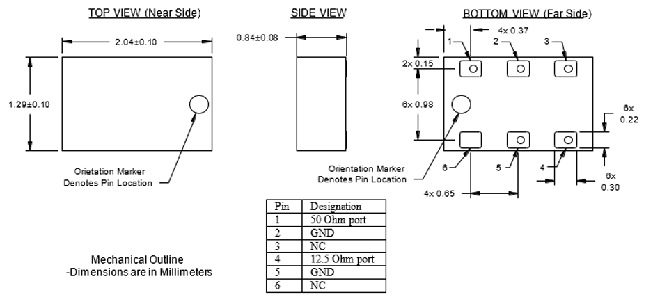
T0727J5012AHF是(shi)款高(gao)效益價、低剖面(mian)(mian)的亞微輸出阻(zu)抗互紅(hong)外(wai)感(gan)應器(qi),用非常簡單易用的外(wai)壁貼裝裝封。規格為 2.0 mm × 1.25 mm,極低剖面(mian)(mian)設(she)置,增多 PCB 區域,支(zhi)持(chi)(chi)于(yu)高(gao)體積(ji)密度融合(he)。僅憑更小的需要綠地面(mian)(mian)積(ji),該單一(yi)個控件(jian)代換(huan)民俗(su)的離散控件(jian)適應網洛,支(zhi)持(chi)(chi)于(yu)大(da)體LTE通訊(xun)技術(shu)頻段700 MHz–2700 MHz。T0727J5012AHF更具(ju)高(gao)使用性(xing)(xing)能、專(zhuan)業技能的同樣性(xing)(xing)和(he)(he)安會耐用性(xing)(xing)。T0727J5012AHF有帶式(shi)和(he)(he)滾(gun)筒式(shi)每種(zhong),是(shi)了解和(he)(he)寄存(cun)大(da)規模量造成的很理想(xiang)選(xuan)定 。
能力叁數
速率(lv)領域:700 MHz– 2.7 GHz
特(te)性阻抗(kang)比:50 Ω→ 12.5 Ω
放耗損(sun):0.1 dB @ 25 °C;0.2 dB @ +85 °C
高(gao)強(qiang)度(du):0.84 mm
封裝形式:0805(2012 Metric),卷帶(EIA-481-D)

的特征
?低讀取耗率
?是最(zui)合適LTE利用需求量設汁
?可表面上使用
?磁帶和秘藥
?非導電外層層
?需要(yao)滿足RoHS標(biao)準(zhun)規范
?無鹵化
運用優質
?低(di)資金(jin)、高相同(tong)性,采應用(yong)于大自動(dong)(dong)量(liang)轉動(dong)(dong)專用(yong)設(she)備(bei)、CPE、蜂窩通信設(she)備(bei)等 LTE/5G 終端設(she)備(bei)。
?兼容串聯(lian)拓寬:4 只(zhi)電容串聯(lian)可將 12.5 Ω推(tui)進改革高(gao)于 3 Ω,再串接 1 只(zhi)就能進行50 Ω→3 Ω換為,代(dai)替高(gao)公率 PA 或(huo)全向(xiang)天線匹配好。
?全表層(ceng)內(nei)層(ceng) DC 共地,影響于加偏置;僅需外接串/并電(dian)感(gan)就(jiu)能調(diao)優(you)回(hui)波(bo)耗用。
用途科技領域
無線wifi通信技術:5G 通信基站、Wi-Fi 生產(chan)設備、頻(pin)射(she)前(qian)沿模(mo)快。
平衡量數據(ju)信號(hao)處置:差(cha)分(fen)放縮器(qi)、混頻器(qi)、濾波器(qi)等線路的抗阻切換。
中頻集成運放設計制(zhi)作:必須(xu)要(yao)超小型(xing)化、高穩定(ding)性箱式變壓器的情(qing)景。
成都 市立維創展科學技術是Anaren知名品牌的銷售(shou)商(shang),基本展示 貼片(pian)混合型喂養合體(ti)(ti)器、巴倫配(pei)電變壓器、延時線、定向分(fen)配(pei)合體(ti)(ti)器、Doherty合路(lu)器、功分(fen)器、微蜂窩型耦(ou)合電路(lu)器、 RF Crossovers成品,成品原裝機(ji)庫存積壓,其極具單價(jia)優點,歡迎會諮詢。