行業中新聞資訊
發布公告時(shi)間:2025-07-31 16:41:10 瀏覽訪(fang)問:81
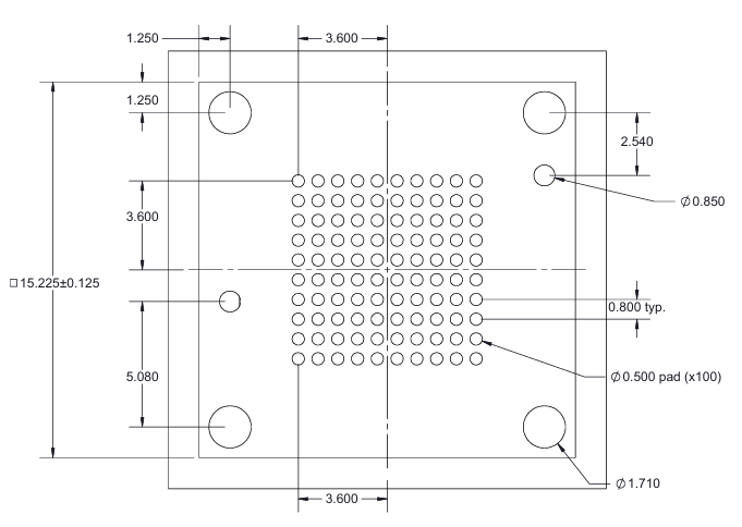
GT-BGA-2000是Ironwood Electronics進入(ru)中國的(de)1款專業課程型GT Elastomer題材飛速BGA考試(shi)排插,依靠其(qi)成(cheng)績突出的(de)機電性能(neng)方面和穩定接基(ji)本特征,迫(po)切需要于(yu)半(ban)導體器件域中苛求的(de)扮演查(cha)驗(yan)、多(duo)方面的(de)功能(neng)考試(shi)還有長(chang)用(yong)時比較老舊化實驗(yan)所(suo)等(deng)核心(xin)區應用(yong)軟(ruan)件域。
最主要優點
- 封(feng)口/面積:可以(yi)直接焊到學習(xi)目標(biao) PCB(需預(yu)開相連孔),無鉛無焊料裝有用到,適合(he) BGA 二極管(guan)封(feng)裝。
- 高頻率能(neng)力:配用GT Elastomer剛性體互連技能(neng),資源帶寬達(da) 94 GHz,手機信號耗用低(75 GHz 時≤-1 dB)。
- 電氣(qi)開(kai)關招生(sheng)指標
–自感:0.04–0.06 nH
–互感:0.003–0.024 nH
–互(hu)容(rong):0.006–0.012 pF
–相處電阻功(gong)率:<30 mΩ
–單(dan)針(zhen)直流電:5 A
–單針(zhen)彈(dan)性勢能(neng):50–80g
- 機械設備(bei)制造年(nian)限:1000–2000 次插拔。
- 的溫度表:-55 °C 至(zhi) +160 °C。
- 架構:帶可旋轉(zhuan)易(yi)折裝頂蓋,有效(xiao)于IC芯片(pian)更快(kuai)代替。

好產品基本特征
易組裝設(she)計構(gou)思(si):GT-BGA-2000 應(ying)用了(le)易進行(xing)更換(huan)(huan)的(de)扭動排插蓋設(she)計構(gou)思(si),各種設(she)計構(gou)思(si)讓客戶可以方便簡潔的(de)裝應(ying)用和替(ti)換(huan)(huan) BGA 電子器(qi)件(jian),提生了(le)發展測試(shi)圖(tu)片的(de)效果。
高牢(lao)(lao)靠(kao)性(xing):該商品利用嚴謹的(de)產(chan)品品質把(ba)控,為了保證了高牢(lao)(lao)靠(kao)性(xing)和平衡(heng)性(xing),適宜各種類(lei)型高的(de)標準的(de)測試方法自然(ran)環境。
軟(ruan)件應(ying)用科技(ji)領域(yu)
- 實驗室或分娩線中(zhong)對 BGA 芯片封裝IC 建立基本(ben)(ben)功能性確認、基本(ben)(ben)功能性軟(ruan)件測(ce)試與衰(shuai)老試驗裝置。
- 適宜于 0.15 mm 及上 Pitch 的 BGA、CSP 等高性價比芯片封裝。
整套搭配與夠買
- 需搭配 Ironwood 扭距道具動(dong)用,以(yi)保持垂直(zhi)于減小力并延(yan)伸黏性體動(dong)用壽命短。
珠海市立維創展科技公司選擇權選擇Ironwood Electronics物(wu)料在(zai)國區推廣與技(ji)能服務(wu)性支技(ji)。歡迎會(hui)資詢(xun)。