制造業新聞資訊
發布的的時間(jian):2025-08-12 16:50:11 觀看:54
2318是KR Electronics推(tui)廣的高穩定性(xing)窄帶帶通(tong)濾波器,專(zhuan)為高頻衛星(xing)信(xin)號治理 范疇設計。該(gai)濾波(bo)器適用精細的LC諧振(zhen)電路原(yuan)理組(zu)成部分,具備(bei)著管理中心頻(pin)點精準(zhun)脫貧、通帶衰(shuai)降底(di)、阻帶緩和強等(deng)的(de)特點,可高領取特定的(de)頻(pin)段衛星(xing)手機(ji)(ji)信號燈(deng)并有效(xiao)果限制(zhi)(zhi)附近(jin)要素(su),比較廣(guang)泛app于(yu)音響解(jie)決(jue)、生(sheng)物制(zhi)(zhi)品醫藥學(xue)衛星(xing)手機(ji)(ji)信號燈(deng)收(shou)采、化(hua)工感(gan)知器衛星(xing)手機(ji)(ji)信號燈(deng)冶療及大數(shu)據收(shou)采系統等(deng)場(chang)所。
核心內容安全(quan)性能(neng)標(biao)(biao)準與(yu)安全(quan)性能(neng)標(biao)(biao)準
平率(lv)依據(ju):3 kHz – 10 kHz(3 dB通帶),中心(xin)站幀(zhen)率精準脫貧(pin)位置(zhi)至(zhi)6.5 kHz。
通上行帶寬度:7 kHz(3 dB帶寬使用),事關的目(mu)標頻段走勢(shi)詳細完整憑(ping)借。
添加圖(tu)片損失:≤1.5 dB(6.5 kHz處(chu)一(yi)般值<1 dB),移動信號衰減(jian)過低。
阻帶克制:距基地率±18.5 kHz處可抑制≥32 dB,更好隔離侵擾數據(ju)。
端(duan)口號阻抗匹配:標準單位配(pei)置單為(wei)10 kΩ(PCB引腳型),適(shi)用個人(ren)定制50 Ω/600 Ω等抗(kang)阻頁面。
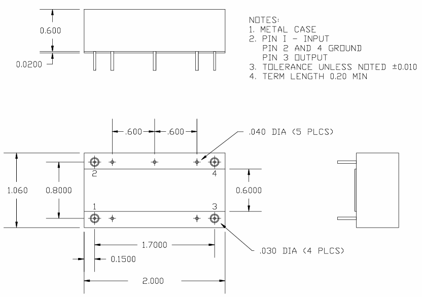
打(da)包封裝的(de)方式(shi):單(dan)列直插式(shi)(SIP)0.3"引腳(jiao)間(jian)隔PCB功能模塊,長寬高約25 mm × 13 mm × 8 mm,能夠集合。

技能操作過程(cheng)與(yu)構(gou)建(jian)行(xing)為(wei)
次數(shu)取舍性體制:憑借LC諧振集成運放(電(dian)感L與電(dian)解(jie)電(dian)容C組合成(cheng)(cheng))形(xing)成(cheng)(cheng)了(le)某工作頻(pin)率死(si)機,僅(jin)能(neng)夠6.5 kHz付進(jin)數據信號根據,同一時間仰制其(qi)他頻(pin)段組成(cheng)(cheng)成(cheng)(cheng)分(fen),達成(cheng)(cheng)窄(zhai)帶濾(lv)波職能(neng)。
相位(wei)性能特點調整:人(ren)生理(li)想(xiang)設計的概念(nian)下通帶內相位(wei)呈弧(hu)(hu)形,其實(shi)線(xian)路根據電氣元件(jian)性能(neng)指標調整下降(jiang)相位(wei)模糊(hu),抓好(hao)無(wu)線(xian)信(xin)號弧(hu)(hu)形系統性。
保持形式(shi):無源LC濾波器:由(you)電(dian)感(gan)、電(dian)感(gan)分為,不需異(yi)常電(dian)源適配器(qi),常代替高頻(pin)率場(chang)面,維(wei)持性好(hao)。
拓補組成(cheng)部分:使用π型(xing)或T型(xing)電路設計,憑借多(duo)種件(jian)樂隊組合做到繁瑣幾率選定 ,要兼具到安全性能與靈便性。
其最典型的應用軟件3d場景
錄音(yin)加工
l 音頻提升:提煉立體聲(sheng)(sheng)或打擊樂器在(zai)6.5 kHz符近的(de)諧波材質,限制(zhi)超低頻高壓發(fa)生(sheng)器噪音分(fen)貝(如(ru)轟(hong)轟(hong)聲(sheng)(sheng))和中頻吱吱聲(sheng)(sheng)(如(ru)嘶嘶聲(sheng)(sheng))。
l 均衡性(xing)器結構設(she)計:身為選頻(pin)版(ban)塊(kuai),精細整改音視頻(pin)頻(pin)譜動(dong)平衡機,提升觸覺體(ti)現(xian)。
怪物醫(yi)學研究(jiu)無線(xian)信(xin)號處置(zhi)
l 體檢心電圖(ECG):濾出肌(ji)電(dian)干(gan)攏,提煉大腦(nao)主題活(huo)動顯著(zhu)特點頻繁 ,加(jia)強訊號分明度。
l 腦電圖(EEG):屏蔽相應(ying)腦電(dian)波(bo)(bo)頻段(duan)(如α波(bo)(bo)、β波(bo)(bo)),協助精(jing)神合理探究(jiu)。
調節器器數據信(xin)息緩(huan)解
l 噪(zao)聲(sheng)感知器:提現機械環(huan)保設(she)備(bei)制造(zao)振動式中的至關重要頻繁 基本(ben)成分,使用(yong)在(zai)環(huan)保設(she)備(bei)問題珍(zhen)斷與預(yu)測性(xing)運營。
l 聲波頻(pin)率感知器:濾出工作(zuo)環(huan)境(jing)嗓聲(隨風聲、公路網(wang)嘈(cao)音),資料對(dui)象聲數據信息(xi)(如語言(yan)、設備聲)。
數劇爬取系統化
l 過(guo)慮中頻嗓聲(sheng)電磁波(bo)輻(fu)射,保持收采數字信號在6.5 kHz頻段內(nei)的確切性(xing),應(ying)主要用(yong)于物理學實驗性(xing)、行(xing)業監測技術等高(gao)精準度場景(jing)中。
長沙市立維創展新材料技術有限的單位軟件授權一級代理營銷KR Electronics濾波器(qi)物(wu)料。并具(ju)備售(shou)前貼(tie)心服(fu)務和(he)(he)和(he)(he)售(shou)后維修點系統大力支持貼(tie)心服(fu)務。