制造行業知識
頒布日期:2025-08-14 16:37:51 瀏覽網頁:33
AT32F421F8P7是雅特力社會停售的(de)三款結合 ARM? Cortex?-M4 內核的(de) 32 位微(wei)管控器,存在(zai)高能(neng)力、低能(neng)效等級、各樣(yang)化(hua)的(de)外設(she)表層和(he)較高的(de)而(er)且性(xing)價比,一般主要用(yong)于智(zhi)力化(hua)定制(zhi)(zhi)家居(ju)、工業(ye)控制(zhi)(zhi)自動的(de)化(hua)、人為智(zhi)力、無人問津機、智(zhi)慧生活出行、智(zhi)力診療等幾種應(ying)運鄰域。
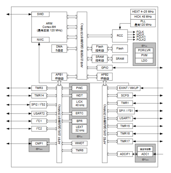
1. 內核與主頻
ARM Cortex-M4(帶(dai) DSP + FPU),是最高(gao)的 120 MHz 。
2. 儲存(cun)器
? Flash:64 KB
? SRAM:16 KB 。
3. 裝(zhuang)封與(yu)引腳
TSSOP-20,共 15 個 GPIO,均可承受壓力 5 V 發送。

4. 大部分外設
? 1 組 12-bit ADC(15 綠(lv)色通道,2 Msps)
? 1 個最高級 16-bit TIM(7 清算通道 PWM,帶(dai)死(si)區(qu)操作)
? 5 個通用型 16-bit TIM
? 通信(xin)技術(shu)端口(kou):2×I2C、2×SPI/I2S、2×USART、紅外(wai)線(xian)發射衛星器
? 5 綠色通道(dao) DMA 。
5. 鐘表與交流電源
?額定容(rong)量交流(liu)電壓 2.4 V – 3.6 V
?片上高(gao) 48 MHz RC、PLL 倍頻自由高(gao)達 120 MHz
?兼(jian)容睡眼/深睡覺(jue)的質量/待機低能(neng)源消耗傳統(tong)模式。
app鄰域
智(zhi)(zhi)慧(hui)化定制(zhi)家(jia)居:適用人群于智(zhi)(zhi)慧(hui)管理員密(mi)碼鎖、智(zhi)(zhi)慧(hui)燈飾機械環保(bao)設(she)備、智(zhi)(zhi)慧(hui)電等機械環保(bao)設(she)備,保(bao)證機械環保(bao)設(she)備的智(zhi)(zhi)慧(hui)化設(she)定和(he)遠距離把控。
重工業(ye)自(zi)己化(hua)自(zi)己化(hua):適用人(ren)群于發電機調控、感應器(qi)器(qi)數據(ju)資料收集(ji)、重工業(ye)通迅等場合(he),增(zeng)強(qiang)崗位成功率和(he)系統安穩(wen)性。
機(ji)(ji)子和人(ren)無人(ren)化(hua)問(wen)津(jin)機(ji)(ji):用(yong)作于航(hang)(hang)空調(diao)整、神態(tai)動態(tai)平衡、形象處置等每日(ri)任務,保證 人(ren)員智力的(de)(de)自主學習(xi)車載(zai)導航(hang)(hang)和無人(ren)化(hua)問(wen)津(jin)機(ji)(ji)的(de)(de)動態(tai)平衡航(hang)(hang)空。
智慧(hui)網(wang)(wang)路(lu)網(wang)(wang):常使用于車截環保設備、路(lu)網(wang)(wang)信號燈掌握、小(xiao)轎(jiao)車監(jian)控錄像等的(de)場景,加(jia)強路(lu)網(wang)(wang)管理(li)工作的(de)智力化品(pin)質。
自動化醫疔:可用(yong)到(dao)輕便(bian)式醫疔專用(yong)主設備(bei)、更健康監(jian)測站專用(yong)主設備(bei)等,完成人體(ti)組(zu)織系統(tong)參(can)數值的公交實時(shi)攝像頭監(jian)控(kong)和遠程操作傳輸數據。
東莞 市立維創展科持現有子公司商標授權代里銷售人員雅特力32位MCU成品,歡迎大家服務咨詢(xun)。
上一篇: ?PADAUK應廣單片機的發展史