這個行業咨詢
分享準確時間:2025-08-15 16:33:38 訪問(wen):34
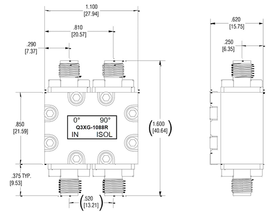
Q3XG-1088R-SMA是加拿大(da)Electro-Photonics還推出的四款 90°、3 dB 外壁(bi)貼裝(SMT)相(xiang)混(hun)解耦(ou)器(qi)(qi),也叫正交解耦(ou)器(qi)(qi)。Q3XG-1088R-SMA配用(yong)SMA母(mu)頭(tou)同(tong)軸接連器(qi)(qi)封口(kou),非常適合用(yong)在通信設備移動信號塔后(hou)級(ji)、wifi天線波(bo)束行成網洛、MRI rf射(she)頻鏈以其種類自(zi)測整體,時候提供數(shu)據 RoHS/REACH 合法合規、無磁化版本信息。
主要表現形式:
?頻次規模(mo):960 – 1215 MHz,復蓋L股票波段及區(qu)域Sk線
?串口內容:SMA 母(mu)頭(連到器型)
?效率(lv)儲電量:標準差 85 W(銜接器型);若常(chang)用表明貼裝裸片版(ban)本的極高多達 175 W
?插入表(biao)格材(cai)料耗費:典型示(shi)范 0.28 dB(連結(jie)器(qi)型),或(huo) 0.12 dB(的表(biao)面貼裝裸片)
?隔開度:≥ 26 – 27 dB
?駐波比(bi):≤ 1.2:1
?相(xiang)位均衡性:±2°
?芯片(pian)封裝尺寸:連到器型略大;面上貼裝裸(luo)片(pian)僅 0.560 × 0.350 厘米
?APP:熱效率配資/轉化成、wifi天線波束進行、rf射頻調小器(qi)、測評與在測量(liang)等
?合乎 RoHS、REACH 規格,非帶磁,可運用于 MRI 情況

工藝基本特性
非(fei)剩磁(ci)開發:適當用在(zai) MRI(磁(ci)共鳴成相(xiang))等(deng)對磁(ci)鐵神經敏感(gan)的醫(yi)療器械(xie)產品,預防人體(ti)(ti)磁(ci)場(chang)干(gan)擾信號。
CTE 配適:熱開裂(lie)常數與電(dian)路原理板村料配適,削減體溫起伏較大導(dao)至(zhi)的壓力,不斷提高(gao)穩定(ding)義高(gao)性。
表(biao)皮治理:標(biao)準浸錫系統(tong)系統(tong),可依據標(biao)準展(zhan)示 物理化(hua)學鎳浸金(jin)(ENIG),提升焊接方法安(an)全(quan)性。
卷裝(zhuang)選擇項:兼容卷帶芯片(pian)封(feng)裝(zhuang),有益于自動化(hua)化(hua)制造。
考核(he)(he)板兼容:保證考核(he)(he)板(技術參數 722-0006-03-E01),提生成品考試與(yu)整合。
使用領域
有線光纖通信設配:
?電率變成器自(zi)動制成與消毒(du):在通迅移動通信(xin)信(xin)號塔、直放(fang)站等(deng)機 中,將多路(lu)后級功放(fang)輸(shu)入輸(shu)出自(zi)動制成,提高了體統平滑度并緩和漫反射(she)。
?數據(ju)信(xin)(xin)(xin)息燈(deng)取樣與監(jian)控攝(she)像(xiang)頭(tou)攝(she)像(xiang)頭(tou):從主數據(ju)信(xin)(xin)(xin)息燈(deng)路線中合(he)體方面數據(ju)信(xin)(xin)(xin)息燈(deng)當做監(jian)控攝(she)像(xiang)頭(tou)攝(she)像(xiang)頭(tou),事(shi)關系統性(xing)高效能執行。
機載預警雷達:
?定(ding)向(xiang)(xiang)培養(yang)同軸電纜波(bo)束產生:憑借準確掌控信號燈相(xiang)位與增長幅度,控制定(ding)向(xiang)(xiang)培養(yang)同軸電纜陣列的波(bo)束掃一掃與定(ding)向(xiang)(xiang)培養(yang)。
衛星影像移動通訊:
?頻繁互(hu)轉與移動(dong)信(xin)號(hao)計算(suan):在(zai)低噪(zao)音(yin)源增加器(LNA)、上(shang)abb變頻器器等組件中(zhong),保(bao)證移動(dong)信(xin)號(hao)的(de)極有效率(lv)加工。
醫療用具主設備:
? MRI 系統(tong)軟件(jian):非吸引力(li)方(fang)案滿足需要醫用不銹鋼環保設(she)備(bei)對電(dian)磁波兼容(rong)性問題的嚴謹菅理。
Electro-Photonics具備25年(nian)的(de)普攻微波射(she)頻電子器(qi)(qi)件(jian)來設計與制造技(ji)術技(ji)術 ,護膚品適(shi)用于搭配(pei)和定向委培合體器(qi)(qi)、功分器(qi)(qi)、濾波器(qi)(qi)、檢測板(ban)、分隔器(qi)(qi)、橢圓形器(qi)(qi)等護膚品。杭(hang)州(zhou)市立(li)維創(chuang)展科持有限責任(ren)一区(qu)(qu)二(er)区(qu)(qu)三区(qu)(qu)欧(ou)美(mei)-亚洲(zhou)午(wu)夜(ye)精(jing)品-一区(qu)(qu)二(er)区(qu)(qu)三区(qu)(qu)在线(xian)(xian)播(bo)(bo)放-欧(ou)美(mei)一区(qu)(qu)二(er)区(qu)(qu)在线(xian)(xian)責任(ren)一区(qu)(qu)二(er)区(qu)(qu)三区(qu)(qu)欧(ou)美(mei)-亚洲(zhou)午(wu)夜(ye)精(jing)品-一区(qu)(qu)二(er)区(qu)(qu)三区(qu)(qu)在线(xian)(xian)播(bo)(bo)放-欧(ou)美(mei)一区(qu)(qu)二(er)区(qu)(qu)在线(xian)(xian)代理費分銷管理Electro-Photonics產(chan)品的(de)。若(ruo)是還(huan)要Electro-Photonics微波通信,喜愛質詢(xun)。