行業內資迅
分享(xiang)時長:2025-08-22 16:35:39 閱讀:7
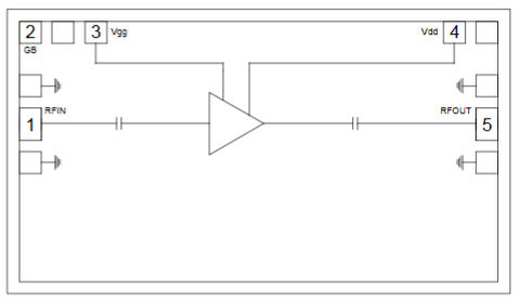
CMD298C4是Custom MMIC推廣(guang)的哪款Ku/K波長 GaAs MMIC 低(di)低(di)頻(pin)噪(zao)音變成器(LNA),選擇 4 mm × 4 mm 無引線 QFN 接(jie)觸面貼(tie)裝封裝類(lei)型,愈加在 17-25 GHz 頻(pin)段表達出(chu)色。CMD298C4以中頻(pin)能力、低(di)低(di)頻(pin)噪(zao)音、低(di)額定功率和(he)小寸尺 為(wei)層面長處,成電子廠戰、衛星(xing)信號通訊網、聲納和(he) 5G 公分波等教育(yu)領域的良好選購。
重要性技術指標
- 頻帶寬度(du)使用范圍:17 – 25 GHz(關(guan)鍵SEO點 21 GHz)
- 增益(yi)控(kong)制(zhi):22 – 27.5 dB(非常典型(xing) 27 dB)
- 噪聲源(yuan)公式(shi):1.4 – 2 dB(典型性1.4 dB)
- 輸入 1 dB 收縮點 P1dB:8 –9dBm
- 輸送三階(jie)截點 OIP3:≈19 dBm
- 額定的(de)額定容量(liang):1.5 – 3.5 V(典范(fan) 3 V 單(dan)開關電源)
- 操作工作電流:19 – 35 mA(典型的 27 mA)
- 輸出/效(xiao)果(guo)回波(bo)耗(hao)損率:≥10dB
- 進行(xing)攝氏度:-40 °C 至(zhi) +85 °C
- 封裝(zhuang)類型:4 mm × 4 mm × 0.85 mm QFN,外壁(bi)貼裝(zhuang),RoHS 兼容
監測板
Qorvo 同一時間作為(wei) CMD298C4-EVB 鑒定板,可同時在17 – 25 GHz內(nei)通過耐(nai)腐蝕性(xing)證(zheng)實。

技術性特殊性
低頻優(you)化(hua)調(diao)整:對(dui)于(yu) 21 GHz頻段調(diao)整,平衡(heng)量增益控制、嗓聲和(he)線性網絡度,適宜 5G 豪米波(bo)、遙感衛星通訊網絡等低頻軟件(jian)應用。
低工(gong)作頻率制作:1.5 V至 3.5 V寬相電(dian)壓面積(ji)和 27 mA低電(dian)流量所耗,不斷增加便攜式機械電(dian)池容(rong)量。
集成化(hua)化(hua)定制:50 Ω篩(shai)選和外(wai)鏈(lian)電流阻(zu)擋,減低(di)外(wai)鏈(lian)元(yuan)器(qi)件封(feng)裝需求(qiu)量(liang),大(da)幅度降低(di)設備(bei)比較多元(yuan)性和成本低(di)保險費(fei)用。
高靠普(pu)性(xing):淘瓷(ci) QFN 封(feng)裝形式提拱成績突(tu)出排熱效能,適用性(xing)極端天氣室內環境,提高采用人(ren)類壽命(ming)。
采用場所
電子(zi)設(she)備戰(EW)系統(tong):小尺寸和(he)低功能損耗的特點使其加(jia)入微電子(zi)偵查、侵擾產品的夢想抉擇。
定位通信(xin)(Satcom):遍及 Ku 中波段和 K k線,兼容(rong)公(gong)路的數據無線傳輸和網(wang)絡帶寬(kuan)連結。
機載汽車(che)統計(ji):中(zhong)頻效(xiao)果和(he)低噪音污染比率(lv)上升(sheng)汽車(che)統計(ji)探測器迅(xun)敏度和(he)糞便(bian)率(lv)。
5G 厘米波(bo)通信設備:適宜 24 GHz 大于頻段,兼容高傳輸速率(lv)、低遲緩的 5G 應用領(ling)域。
wifi通信系統和測評機器(qi):做為接受(shou)器(qi)前端開(kai)發變大器(qi),提供無線信號接受(shou)性能。
Qorvo是歐美徽波豪米波拔尖制造業企業,展示高規則的GaN/GaAs物料,2020年大量收購Custom MMIC進行強化系統優(you)越,產(chan)品的常見適用于軍工(gong)企業(ye)、航(hang)空工(gong)業(ye)航(hang)空工(gong)業(ye)、手(shou)機機 等方(fang)面(由TriQuint與RFMD合(he)在一(yi)起而成(cheng))。鄭州市立維創展信息技術(shu)賦予不穩定性(xing)的供(gong)貨商業(ye)務(wu),競爭優(you)勢可以提供(gong)Qorvo 工(gong)業(ye)陶瓷封裝類型IC和裸心片護膚品,并大規模具(ju)有現貨黃金貨存,迎接在線咨詢。