HMC7885FH18單存儲芯片微波加熱版塊化三極管(MMIC)電機功率圖像放大儀(PA)版塊 ADI現貨交易代商
推出期(qi)限:2018-06-19 16:42:54 網(wang)頁瀏(liu)覽:2501
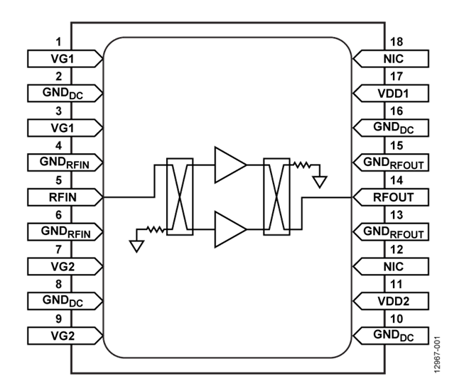
HMC7885FH18是款32 W氮化鎵(GaN)、單集成型塊徽波集成型控制電路(MMIC)熱效率縮放器(PA)控制器,工作任務規律范圍內為2 GHz至6 GHz,展示18引腳隔絕控制器裝封。該縮放器一般展示21 dB小信號燈收獲和45 dBm過飽和微波射頻(RF)導出精度熱效率。該縮放器選取28 V直流電電的外部耗電量(IDD)為2200 mA。隔直RF顯示和導出精度符合至50 ?,選擇快捷。
|
品牌
|
型號
|
描述
|
貨期
|
庫存
|
|
ADI
|
HMC7885FH18
|
2 GHz至6 GHz,45 dBm功率放大器
|
現貨
|
78
|
HMC7885FH18應用(yong)
-
測試與測量設備
-
通信
-
電子戰(EW)
-
軍事
-
行波管(TWT)替換產品
-
SATCOM
HMC7885FH18優勢和特點
-
2 GHz至6 GHz
-
小信號增益:21 dB(典型值)
-
飽和RF輸出功率:45 dBm(典型值,POUT)
-
18引腳、密封模塊
-
工作溫度范圍為-30°C至+60°C
HMC7885FH18結構圖
