行業內信息
推送(song)時間段:2018-06-21 15:09:53 觀看:2544
品牌
型號
描述
貨期
庫存
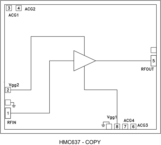
ADI
HMC637A
GaAs MMIC 1 W功率放大器,DC - 6 GHz
現貨
32
HMC637A選用
HMC637A優勢和特點
HMC637A結構圖
