HMC7357LP5GE/HMC7357LP5GETR中級工率變成器幾率5.5至8.5 GHz ADI期貨
發布了(le)日期:2018-06-22 16:06:19 查看(kan):2624
HMC7357是款三級GaAs pHEMT MMIC中低的工作效率放縮器,的工作速率條件為5.5至8.5 GHz。 該放縮器的增益值為29 dB,飽滿輸入輸出的精度的工作效率為+35 dBm,PAE為34%,開關電源電流為+8V。 HMC7357出具+41.5 dBm的漂亮輸入輸出的精度IP3功效,很比較合適線性網絡用,就比如高出水量點對點通信和點對向下無線數字電或VSAT/SATCOM用——此類用符合要求兼具+35 dBm的提高效率飽滿輸入輸出的精度的工作效率。 RF I/O內部結構符合至50 Ω,應用簡單方便。 HMC7357使用無鉛5x5 mm朔膠表貼封口,與表貼產生水平兼容。
|
品牌
|
型號
|
描述
|
貨期
|
庫存
|
|
ADI
|
HMC7357
|
GaAs pHEMT MMIC 2 W功率放大器,5.5 - 8.5 GHz
|
現貨
|
120
|
HMC7357LP5GE應用領域
-
點對點無線電
-
點對多點無線電
-
VSAT和SATCOM
HMC7357LP5GE優勢和特點
-
Pout:+35 dBm (34% PAE)
-
高P1dB輸出:+34 dBm
-
高輸出IP3: +41.5 dBm
-
高增益: 29 dB
-
50 Ω匹配輸入/輸出
-
電源電壓: Vdd = 8V (1200 mA)
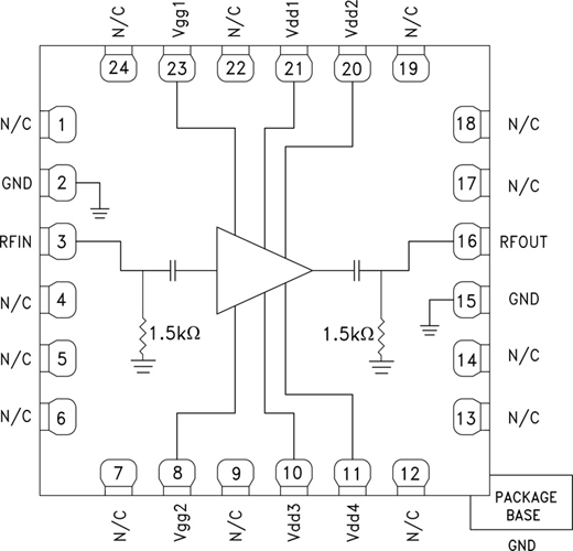
HMC7357LP5GE結構圖
