相關行業咨訊
正式發布準確時(shi)間:2019-02-20 16:00:57 瀏覽記(ji)錄(lu):1719
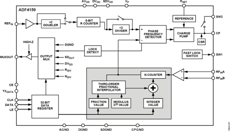
ADF4159WCCPZ由低噪(zao)聲數(shu)字(zi)鑒頻(pin)鑒相器(qi)(PFD)、精密電荷泵(beng)和可(ke)編程參考分頻(pin)器(qi)組成。 該器(qi)件內(nei)置一個(ge)Σ-Δ型小(xiao)數(shu)插值器(qi),能夠實現可(ke)編程小(xiao)數(shu)N分頻(pin)。 INT和FRAC寄(ji)存器(qi)可(ke)構成一個(ge)總N分頻(pin)器(qi)(N = INT + (FRAC/225))。
ADF4159WCCPZ可作于實現目標頻移鍵控(FSK)和相移鍵控(PSK)熬制。 有著一下可作的規律復印機打印狀態,可在頻域內行成幾種波形圖,列如鋸齒狀波和半圓波。 復印機打印都可以設計為主動采取,也都可以設計為采用第三方輸入脈沖一鍵打斷每個工作步驟。 ADF4159WCCPZ兼有周跳減掉電源線路,可進步改變鎖住周期,而不需要改進環路濾波器。 所有片內寄存器均適用簡簡單單的四線式標準接口參與操作。 ADF4159適用2.7 V至3.45 V模仿24v交流電源和1.62 V至1.98 V數字式24v交流電源輸電,不需要時需要關斷。
| 品牌 | 型號 | 貨期 | 庫存 |
| ADI | ADF4159WCCPZ | 1周 | 100 |
利用
優勢和特點
示意圖
