HMC409LP4E/HMC409LP4ETR高質量率馬力放縮器 ADI現貨交易
發(fa)布(bu)新聞用時:2018-06-26 11:07:05 訪問:7547
HMC409LP4(E)就是款快速率GaAs InGaP HBT MMIC運轉效率調小器,運轉率區域為3.3至3.8 GHz。 該調小器采取低價格、無鉛SMT封口。 它采取很少的對外部構件,出示31 dB增加收益,達到飽和狀態運轉效率為+32.5 dBm,電源模塊電流值電壓為+5V。 運轉效率抑制(Vpd)常用于全手機省電模試或RF效果運轉效率/電流值抑制。 相對+22 dBm OFDM效果運轉效率(64 QAM, 54 Mbps),HMC409LP4(E)可達到2%的不確定度失量波幅(EVM),因此充分考慮WiMAX 802.16規則化度需求。
|
品牌
|
型號
|
描述
|
貨期
|
庫存
|
|
ADI
|
HMC409LP4E
HMC409LP4ETR
|
1 W功率放大器SMT,3.3 - 3.8 GHz
|
現貨
|
237
|
HMC409LP4應用
-
WiMAX 802.16
-
固定無線接入
-
無線本地環路
HMC409LP4優勢和特點
-
增益: 31 dB
-
40% PAE (+32.5 dBm pout)
-
2% EVM (Pout = +22 dBm)
具有54 Mbps OFDM信號
-
+46 dBm輸出IP3
-
集成功率控制(Vpd)
-
+5V單電源
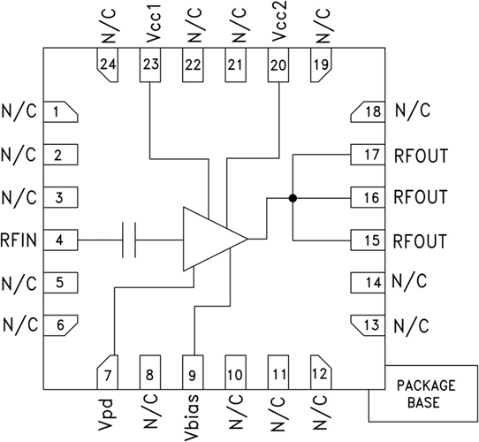
HMC409LP4結構圖
